淘汰的软驱中有许多元器件。如及其驱动、元件、红外线检测元件等。仍然可以利用。
下面讲讲用实现软驱步进电机正反转控制的方法。
一、步进电机的控制
步进电机是将脉冲信号转变为角位移或线位移的控制元件。电机的转速只取决于脉冲信号的和脉冲个数。给电机加一个脉冲信号,电机就会转一个步距角。
二、步进电机的结构
软驱多用两相步进电机,有两个绕组,四拍和八拍两种工作方式。
三、步进电机的工作原理
此步进电机为永磁感应式步进电动机。其工作原理如右图所示。
定子上的两个绕组为A-B和C-D,通过2相施加一定规律的脉冲信号来控制电机转动。转子由永磁铁芯构成。有左右两段铁芯。两段铁芯轴向错开半个齿距,中间嵌有永磁磁铁。
这样。在永磁铁S端的铁芯呈S极,在永磁铁N端的铁芯呈N极。当定子绕组加脉冲产生磁场时,S极转子铁芯分别与定子N极1、5下的小齿和定子S极3、7下的小槽相对;转子N极右段铁芯正好相反。当l、3、5、7绕组断电,2、4、6、8绕组通电时。定子2、6呈N极,4、8呈S极。这时。S极的转子铁芯分别与定子2、6下的小齿和定子4、8下的小槽相对,转子顺时针转动l,4齿距的角度;同样。N极的转子铁芯段也同方向转动l,4齿距的角度。
这样在连续脉冲的作用下。步进电机就会按一定方向连续转动。
| 正转 | 03h | l | l | l | 0 | 0 |
| 09h | 2 | l | 0 | O | 1 | |
| 00h | 3 | O | O | l | l | |
| 06h | 4 | O | l | l | O | |
| 反转 | 03h | l | l | l | O | 0 |
| 06h | 2 | 0 | l | l | O | |
| 0ch | 3 | O | 0 | l | l | |
| 09h | 4 | 1 | O | 0 | l |
四、步进电机的驱动
步进电机不能在直流或交流下使用。而必须在双环形脉冲信号下工作。转动的速度和脉冲的频率成正比。改变双环脉冲的顺序可以改变转动的方向。附表是其对双环脉冲信号的要求。
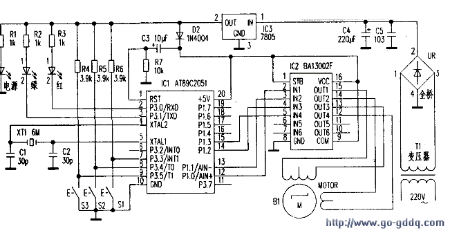
五、实验电路
实验电路如下图所示。控制部分采用AT89C205l单片机。绿色表示正转。红色LED表示反转,Sl控制正转,S2控制反转。
S3控制停转。步进电机经驱动电路BAl3002F接P1.0~P1.3脚。
BAl3002F是软驱上常见的驱动电路,是由达林顿管组成的驱动电路,可驱动LED、和步进电机。