液晶显示器存储器电路的应用


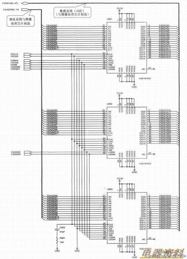
  下图为与数字图像处理芯片相连接的3个图像芯片(K4S1616220-TC80)的原理图。由下图可知,三个图像存储器的功能和结构都相同,它们的地址总线和数据总线都与图像处理芯片相连接,进行信号和数据的传输。

K4S1616220-TC80电路原理图