以前的笔记本电脑一般在总线下工作,而最新的笔记本电脑BIOS一般在LPC总线下工作。对于在ISA总线下工作的BIOS,它通过ISA总线和南桥进行数据交换。当CPU被复位后,它在第一个工作就会发出寻址指令,通过南桥选中BIOS的第22引脚(CE#或CS#),此脚为片选信号控制端,被选中后此脚将有一个由高到低的跳变(低电压有效)。
接着南桥将BIOS芯片的第24引脚(OE#)置为低(此脚为数据允许输出信号端,低电平有效,此信号由南桥发出),然后BIOS会通过ISA总线、总线、北桥芯片、前端总线输出自检程序,CPU收到自检程序后,开始读取并运行自检程序及启动计算机。
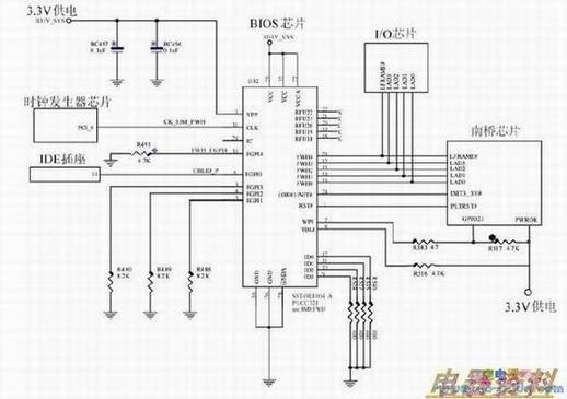
BIOS在LPC总线下的工作方式与在ISA总线下的工作方式不同。下图所示为在LPC总线下工作的BIOS图。

图中,BIOS芯片的FWH0~FWH3引脚为LPC总线的地址和数据线;FWH4引脚为周期控制引脚,它由南桥控制,此引脚有效时,BIOS便开始或结束一个LPC周期。当CPU发出寻址指令后,南桥便向BIOS芯片发出初始化信号(由INIT#引脚控制),当INIT#信号由3V的电压信号变为低电平信号时,BIOS芯片便开始输出数据(自检程序)。