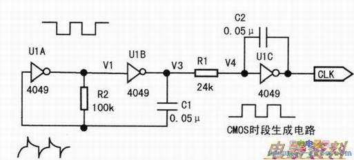
使用Ptotel系列的软件可以进行原理图的绘制、保存和输出打印,如果能在原理图上为电路的某些关键点配上工作波形,则电路功能和原理一目了然,非常利于阅读和分析。例如下图的时段生成电路。
在电路中,有各种各样的电学波形,我们可以使用电子CAD软件中的各种绘图工具来绘制。笔者在实践中发现,由于贝塞尔曲线具有很强的拟和实际曲线功能,如果善于运用这一工具,几乎可以模拟所有形状的电学波形,是制作电路波形图的一个便捷工具。

1.绘制曲线
在Protel系列软件中,绘制贝塞尔曲线命令按钮位于“DrawingTools”(绘图)工具栏上(见下图),通过执行菜单命令View\Toolbars\DrawingTools调出或关闭。曲线的绘制步骤如下:

(1)用左键单击“Drawing图2“DrawingTools”(绘图)工具栏Tools”的Ω|按钮,或执行菜单命令“Place\DrawingTools\Beziers,进入“绘制曲线”工作状态。
(2)将十字光标移动到曲线的起点位置,单击鼠标左键确定曲线起点。
(3)将光标移动到与波形相切的两条切线的交点位置,单击鼠标左键。
(4)再次移动光标,此时已生成一弧线,拖动光标到合适位置并单击鼠标左键。
(5)重复上述操作,直到完成整个曲线的绘制(见上左图),单击鼠标右键确定曲线的终点。
(6)如需进一步编辑,点击选中曲线,拖动控制点即可改变曲线形状(如下右图)。

2.绘制基本波形
利用绘制曲线的方法可以绘制基本电学波形。如下图所示,控制点旁边的数字,表示曲线在绘制过程中需要在小方块处单击左键的次数;X和Y两个坐标轴全部使用绘制直线工具绘制。
在绘制波形图时,经常需要改变光标移动间距。默认情况下,光标移动间距为10个点,即屏幕上一个栅格的长度。一般设置为10、5、2或1个像素点比较方便。设置方法:在原理图编辑界面下执行“Design/Options-”菜单命令,打开DocumentOptions对话框,在SheetOptions标签下,修改Crid操作框中SnapOn(光标移动间距)中的数值即可。

3.绘制特殊图形
贝塞尔曲线工具不仅经常用于绘制电路波形图,也可在电路图纸上绘制某种特殊图形,作为设计单位、电路项目的标志(见下下下图),或增加绘图页的可读性和生动性等。
在其他的图形软件里,一般也有贝塞尔曲线工具,如Photoshop,Flash5等,只是曲线工具的名称不同。作为绘图工具,贝塞尔曲线用途很广,在许多领域都有广泛的应用,因此掌握该工具的操控和应用是很有必要的。
