本文介绍一款由,指示的电池容量测试仪,采用全集成结构,特别是指示由15只组成,具有工作可靠、测试方便与显示醒目等特点。用它可以测量规格为1.2V的各种可充电电池,以判别其容量合格否,并挑出劣质假货。
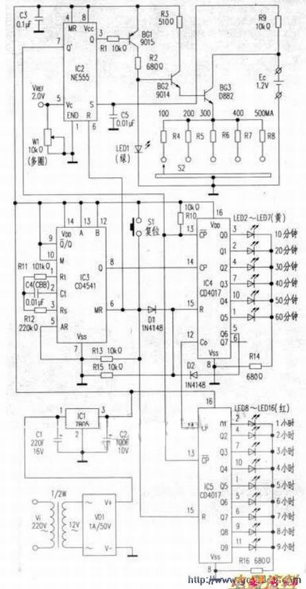
工作原理该测试仪电原理如附图所示。
整机电路除工作由T、桥堆VD1及稳压器1等组成9V为全机供电之外,主要功能电路由以下三部分组成。
1.放电器电路由时基电路IC2接成R-S,其⑤脚为参考电压,校正VREF=2V,当②脚触发低于1.0V时电路即翻转,③脚输出端推动由BG1、BG2和BG3组成放电电路对电池:EC放电,⑦脚内部放电管导通与截止决定后级计数器工作状态,⑥脚复位端接Sl,并与后级联动。
2.时基信号发生器由可编程定时器IC3连接成循环工作状态,校正①脚上定时R11使⑧脚输出方波脉冲,其为10分钟,作为下面计数器电路的基准信号。。3.计数器电路由10进制计数器IC4接成6进制电路为分钟,由LED2-LED7指示,其中14脚为信号输入端,13脚低电平计数而高电平则锁定。另10进制计数器IC5接成10进制为小时显示,由LED8一LED16指示,其中③脚Q端空位由前级分钟取代。电路中,必须注意15脚复位端,因IC5为两重复位,故加入了隔离D1与D2,使其独立复位,以保证互不干扰。
工作过程如下:接通,装上需测试的电池EC.并将开关S2拨在适当位置上,然后按一下S1,电路全部复位,此时L,EDl点亮,表示电池进入放电状态,计数器也开始计时,LED2~LED16依次点亮,直至电池放电到端电压略低于1V时,IC2翻转,③脚为高电平,放电终止。与此同时,⑦脚内部放电管截止,IC4与IC5计数器被锁定,LED2~LED16相应点亮的位置即为放电时间。
元器件选择
本机所用ICl为LM7805.IC2为NE555、IC3为·CD4541、IC4与IC5为CP4017,均为通用电路,市场均有供应。
电源变压器T采用1.5~2W已满足要求,校正电位器w1为多圈电位器型号3296,C4为定时必须选CBB型薄膜。LEDl~LED16规格3mm为宜,颜色已标注。放电R4一R8计算公式为R=0.8V/IF、,式中IE为放电电流,电流开关S2规格1X5即1刀5位型。
使用将充满的电池,1号2号5号或7号均可,其容量计算方法为:容量=放电电流×放电时间(mAh),一般厂标规定放电电流按容量的10%~15%选取,终止电压为1V,如2000mAh电池,选择300mA放电,放电终止时为六小时半即LED4与LED13点亮锁定,那这个电池才称得上合格。
