日常用到的正热敏器(),无论是发热型、功率型或开关型,都有阻/温、伏/安和/时间三大基本特性,在不同的应用中还有许多其它相应的技术指标(如居里温度、耐、升阻比,以及进行老化、功率老化、寿命试验、环境试验等).对使用者这些可不必去探究,那是生产厂家的事。但经常在家电中用到的如消磁、电动机PTC启动器和过流保护PTC的特性必须与电器的T作特性桐匹配,在选用、代换中,应严格与特性相符,需要进行相应的检测。
一、关于l/T、R/T特性
这两项重要特性的意义见右图所示。图中Ro为常温时PTC的阻值,在Prc上施加额定工作电压时.流经PTC的起始冲Io.使PTC发热升温,阻值上升,电流下降。当电流下降为l/2Io时,所需的时问为启动(或称动作)时间TD(视不同规格.一般在0.35s~3s之问)。_一般动作时间和恢复时间的测试是连续进行的,这两项试验时间一般为lOmin.这期间PTC的阻值一直维持最大(参见与I/T特性曲线相对应的R/T特性曲线)。
lOmin后断电.Prc的阻值将逐渐恢复为常温阻值Ro。在恢复过程中,当阻值降为2倍Ro时所需的日寸间即为恢复时间TH(…般应小T80R)。有些生产厂家采用计算机智能化测试设备,批量检测此二项特性。无此条件的则采用本文所介绍的简易设备进行试验。
二、PTC启动器动作时间的测试
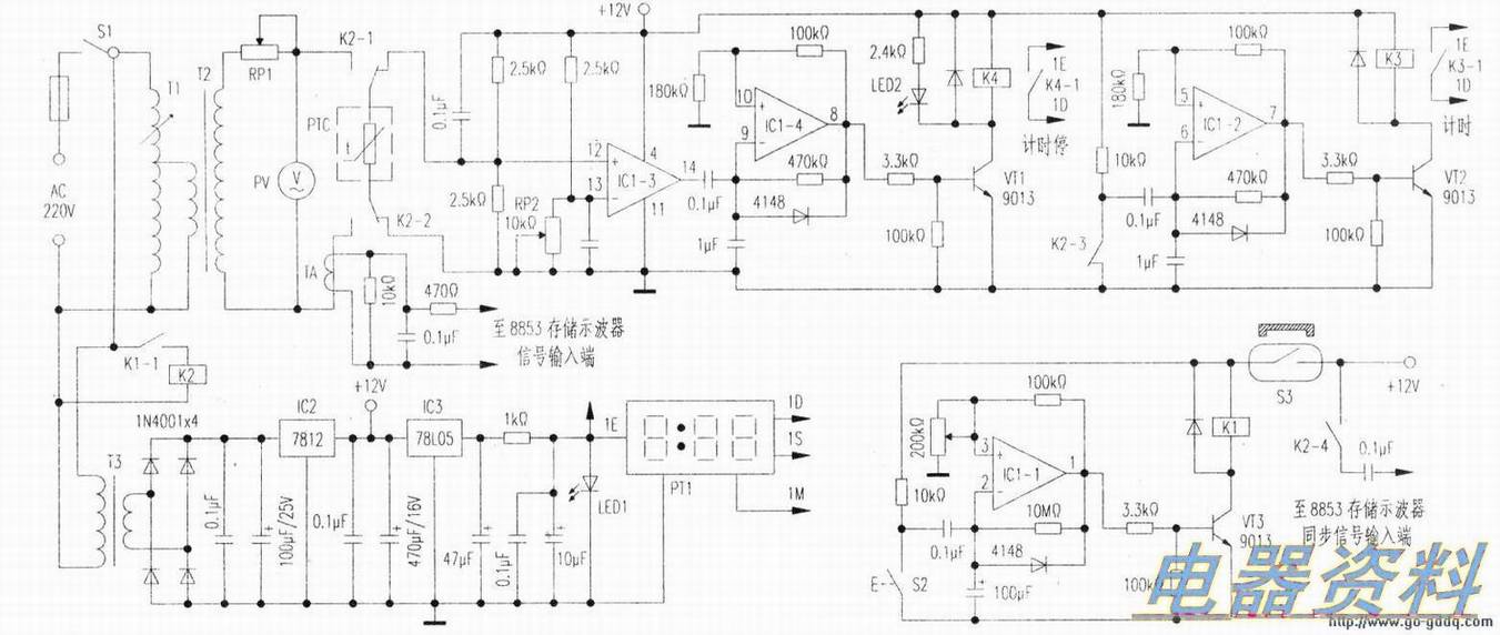
这是一种采用存锗示波器测试动作时间的方法.如下图所示。由于测试PTC启动器应在无风环境下进行,所以应将被测件置于测试盒内(盒内空间应10倍于被测件体积),将盒盖合上,干簧开关S3接通。按测试启动键S2,由l-I(I.M324)构成的单稳延时电路(延时lOmin)被触发,其(1)脚输出高,VT3导通,Kl吸合,Kl-l闭合使中问K2吸合,K2-1和K2-2常开触点接通,被测PTC接通,,由Tl调压、T2升压.经RP限流后加至PTC。虽然其Io的持续时间很短,一般不大于3秒,平均功率并不大。但由于vrc的Io较大,一般为2.5A~12A.电压为AC160V~455V。而且要保证能瞬时输出To。所以要求Tl、T2的内阻很低,功率富余(TI选2kW以上、T2的初次级绕组线径较粗,否则将大大影响测量准确度。
PTC接通电源后的起始冲流及残余电流,经电流器TA耦合输出(同步信号经K2 -4及耦合输出)至具备打印功能的(如日制8853型)存储示波器Y信号输入端,显示并打印出电流/时间特性波形.如图3所示(为交流测试波形图)。从特性曲线波形可得到该PTC的启动时间TD;起始冲流Io;残余电流,进而求得“升阻比”和耗散功率等多项技术参数。
三、PTC启动器的恢复时间测试
由于恢复时间长达儿十秒,不宜用存储示波器检测,可采用分辨率达O.Ol秒的电子跑表来检测。具体如下图所示。持PTC被续加电lOmin后,ICI一1翻转,其(1)脚输出低电平.VT3截止.Kl、K2相继释放,K2-2常闭触点接通.PTC被接入阻值测试电路。由于此时PTC阻值较大.ICl-3(14)脚保持高电平。与此同时.K2-3接通,触发ICI -2,其(7)脚输出0.5秒左右高电平脉冲,使K3-I接通0.5秒,使设置于跑表状态的电子跑表PT1被触发,开始计时、随着PTC器件温度下降,阻值上升,当升至2倍Ro时.ICl-3(14)脚翻转为低电平(同时,2亮),触发ICl-4输出0.5秒正脉冲,使K4-1接通0.5秒,触发跑表停止计时,此时跑表PT所显示的时间,即为被测PTC的恢复时间。
四、改进
在测恢复时间前,首先要用数字在常温下测得被测件的Ro.再用电位器调至2倍Ro值.然将其后接入K2-1和K-2常闭触点间,作为阻值定标标准,再调整RP2.使LED2刚刚点亮,完成定标。这样的定标过程较繁复,不适应于生产中的计量检测。
为此,用最大为lkΩ的低阻箱替代RP2。这样,在接上被测Prc时,即可在常温下调节电阻箱,使LED2刚刚亮,随即将此时电阻箱阻值调大一倍,即完成定标,操作快捷而准确。
