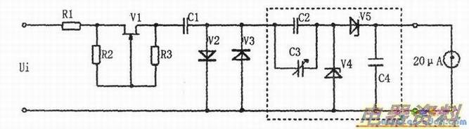
测量信号的扩展如下图所示。用带有的泵(虚线框内)实现频率一的转换,在满刻度值为20μA的表头上读出的是平均电流。调试时,使输入信号电压Ui=lV,调整C3,使C2+C3=100pF;或者使Ui=l.3V,C2+C3=75pF,得到10k/lμA的关系,且在50Hz~l0kHz的范围内线性较好,从0点到100kHz/10μA可看作直线。测量时根据电流的读数即可得到信号的频率。下图中R2、R3和场效应管Vl组成限流器;二极管V2、V3组成限幅器,以减少输入信号变化的影响。
下图中各元件的规格为:Rl为100Q;R2、R3为47kΩ;Cl为330nF;C2为68pF;C3为47pF(可调);C4为100nF;V1~V5,按一般要求各自选用相应的硅器件。该扩展电路能测量200kHz以下的信号频率。
