这种方法是使用专用的编程软件配合计算机并口(打印机接口)和一个简单的接口来实现对24系列和93系列存储器的编程(数据拷贝)。这种方法的基本原理是:利用专门设计的存储器编程软件,对计算机并口中的两个(或3个)数据输入/输出端口重新进行定义,使其符合通信规则(或其他类型存储器接口规则);另外,将计算机并口中的其他几个数据输出端口并联起来作为存储器的为待编程的存储器供电(这样,可省去存储器接口电路中的外接)。
在计算机中运行存储器编程软件,就可实现对存储器数据的读/写操作和数据拷贝。
因为在维修液晶彩电和其他一些家电设备时,所遇到的存储器80%以上都是24系列存储器,因此,如果您对计算机的使用比较熟,又能自己动手制作一个简单的接口电路,在修理液晶彩电需要对存储器数据进行拷贝时,此法也可算一种既经济又实用的好方法。
设备要求:任何档次的计算机一台,计算机并口电缆(打印机电缆)一根,自制存储器接口电路和存储器插座,存储器编程软件。
(1) 24系列存储器读/写接口电路
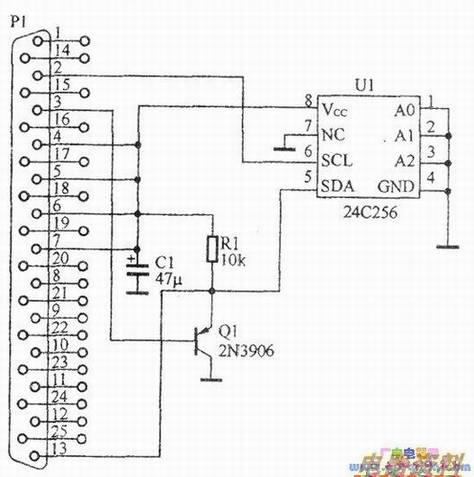
使用计算机打印机接口读/写24系列存储器的接口电路如下图所示。这个电路非常简单,只需要3个外接元器件Cl、Rl、Ql和一个存储器插座Vl。图中Pl为计算机并口,可通过打印机电缆将计算机的并口与存储器的读/写接口电路连接。接口电路中的存储器插座最好选用带锁紧装置的那种,可避免插入存储器时存储器引脚与插座之间的接触不良。整个接口电路可以制作在一小块电路板上,也可以直接制作在一个打印机电缆插头上,使用时直接插在打印机电缆的另一端即可。

(2)24系列存储器编程(读写)软件
使用计算机并口对24系列存储器进行编程的常用软件是24cxx. exe,24cxx. exe软件支持ATMEL公司24C01A/02/04/08/16/32/64/128/256存储器以及与ATMEL产品兼容的24系列接口存储器的编程(读写)。
这款软件的功能虽然比通用型编程器的功能差很多,但具备了通用编程器中的一些基本功能,比如:读取存储器中的数据,并可将读取的数据作为资料保存在计算机中;读取存储器中的数据(或计算机中保存的资料数据)并将其写入空白存储器(或备件存储器)中等。
(3)计算机并口存储器编程软件的使用
24cxx.exe是工作在DOS环境下的程序,安装后直接运行即可。下面介绍利用计算机并口配合存储器编程软件对存储器进行数据拷贝和数据备份的方法。
运行24cxx.exe,显示的操作界面如下图所示。

①操作界面各部分功能及含义。
左上角显示软件的名称及版本号:24CXXPRO-GRAMER VERl.0;右上角显示编程存储器的制造商及型号:Mfr:ATMEL(制造商:ATMEL)Type:AT24C01A(型号:
AT24COIA,此型号为运行24cxx.exe后的默认设置,可以根据需要选择)。
操作界面中间大范围的部分是存储器存储数据的列表CODE LIST(数据编辑缓冲区),左侧为存储器地址,中间为存储的数据值。操作时,此部分可以显示存储器中的内容(如果需要,可对数据进行修改和编辑)。
操作界面的中间靠右侧是弹出式功能菜单条,可用键盘上的上下箭头选取菜单,再按“回车(Enter)”键执行(或按单击),也可以按加亮的大写字母所代表的键进行相应的操作。
操作界面左下部File Name(文件名)后面显示的是从计算机内调出的存储器数据文件的文件名。
操作界面中下部Start Addr(起始地址)后面表示的是存储器存储空间的起始地址,End Addr(结束地址)后面表示的是存储器存储空间的结束地址。
操作界面右下部CheckSum后面显示的是缓冲区代码的校验和。
②功能菜单。
“Type”存储器类型选择:按“T”键(或用鼠标单击Type,下同)弹出存储器选择菜单,按“数字”键1~9可分别选择以下存储器:AT24C01A、AT24C02、AT24C04、AT24C08、AT24C16、AT24C32、AT24C64、AT24C128、AT24C256。这项操作实际上是选择所要编程存储器的容量。
“Read”读片,读取存储器的内容:按“R”键可将存有数据的源片存储器中的数据读入到计算机中,同时在操作界面的数据缓冲区中显示。在修理液晶彩电需要从正常机器的存储器中读出数据时,需要使用这项操作。
“Auto”自动编程:按“A”键可自动完成写片、写入数据与缓冲区数据校验等操作。
“Blank check”空片检查:按“B”键可检查存储器是否为空片(内容全为FF)。
“Erase”存储器擦除:按“E”键可擦除存储器中存储的所有内容,即将存储器全写入1(FF)。
“Program”存储器编程:按“P”键可将缓冲区中内容(从源片存储器中读出或从计算机内调入的数据文件)写入到存储器中去。在修理液晶彩电需要在空白存储器中写入数据时,需要使用这项操作。
“Verify”数据校验:按“V”键可将缓冲区数据和存储器内的数据进行校验,看数据是否相等,若不相等则给出不相等数据的起始地址。
“k bit”位锁定:此项功能在这个版本中暂不能使用。
“Load”装入文件:按“L”键并输入文件名(保存在计算机中的存储器数据文件的文件名),可将计算机中保存的存储器数据文件()装入到数据缓冲区,以便写入空白存储器中。在修理液晶彩电需要将计算机中保存的液晶彩电存储器数据写入空白存储器时,需要使用这项操作。
“Save”保存缓冲区内容:按“S”键可将缓冲区内容保存为二进制文件。在修理液晶彩电需要将正常液晶彩电存储器中的数据作为资料保存在计算机中时,需要使用这项操作。
“eDit”编辑缓冲区数据:按“D”键可编辑、修改缓冲区中从存储器中读出(或从计算机调入)的数据。
“clear Memory”清除缓冲区:按“M”键可全部清除缓冲区内容,以FF填满。
“unlock懈锁:此项功能在这个版本中暂不能使用。
“about”关于软件:按“0”键可查看到该软件的一些信息,如软件名称、版本数、作者等。
“Quit”退出键:按“Q”键可退出程序。
“PgUp”上翻页:按键盘上的“PgUp”键,对缓冲区进行上翻页,查看或编辑数据。
“PgDn”下翻页:按键盘上的“PgDn”键,对缓冲区进行下翻页,查看或编辑数据。
进入功能菜单中某一项子菜单时,会出现一些提示,按提示内容做下一步操作即可。若想中断此功能操作,可按键盘上的“Esc”键。
(4)将源片存储器中的数据拷贝到空白存储器中
按以下步骤将源片存储器中的数据拷贝到空白存储器中:
①将源片存储器插入接口电路存储器插座。
②运行24cxx.exe编程软件。
③按“T”键或用鼠标键单击操作界面上的“Type”键,按源片存储器的规格选择存储器容量。
④按“R”键(Read)执行读数据操作,将源片存储器中的数据读到缓冲区中。
⑤将源片存储器从接口电路存储器插座上拔下,插上空白存储器。
⑥如果插入的空白存储器存储容量大于源片存储器,且空白存储器曾经使用过,最好按“E”键执行一次擦除操作。
⑦按“P”键(Programme)执行存储器编程操作,将缓冲区的数据写入到空白存储器中。
⑧如有必要可按“V”键(Verify)执行数据校验操作。
如需要将源片存储器中的数据保存在计算机中(建议一定要做数据备份操作),在执行完第4步读操作后,按“S”键(Save)执行保存操作,起一个文件名,将数据保存在计算机中,以便以后使用。
(5)将计算机中保存的存储器数据拷贝到空白存储器中
按以下步骤将计算机中保存的存储器数据拷贝到空白存储器中:
①运行24cxx.exe编程软件。
②按“T”键或用“鼠标”键单击操作界面上的“Type”键,按源片存储器的规格选择存储器容量。这步操作很重要,若存储器容量选择不对(所选择的存储器容量小于存储器数据文件大小),则计算机中保存的存储器数据不能全部调入缓冲区。
③按“L”键(Load)执行装入操作,将计算机中保存的存储器数据调入缓冲区。
④将空白存储器插入接口电路的存储器插座上。
⑤如果插入的空白存储器存储容量大于源片存储器,且空白存储器曾经使用过,最好按“E”键执行一次擦除操作。
⑥按“P”键(Programme)执行存储器编程操作,将缓冲区的数据写入到空白存储器中。
⑦如有必要可按“V”键(Verify)执行数据校验操作。