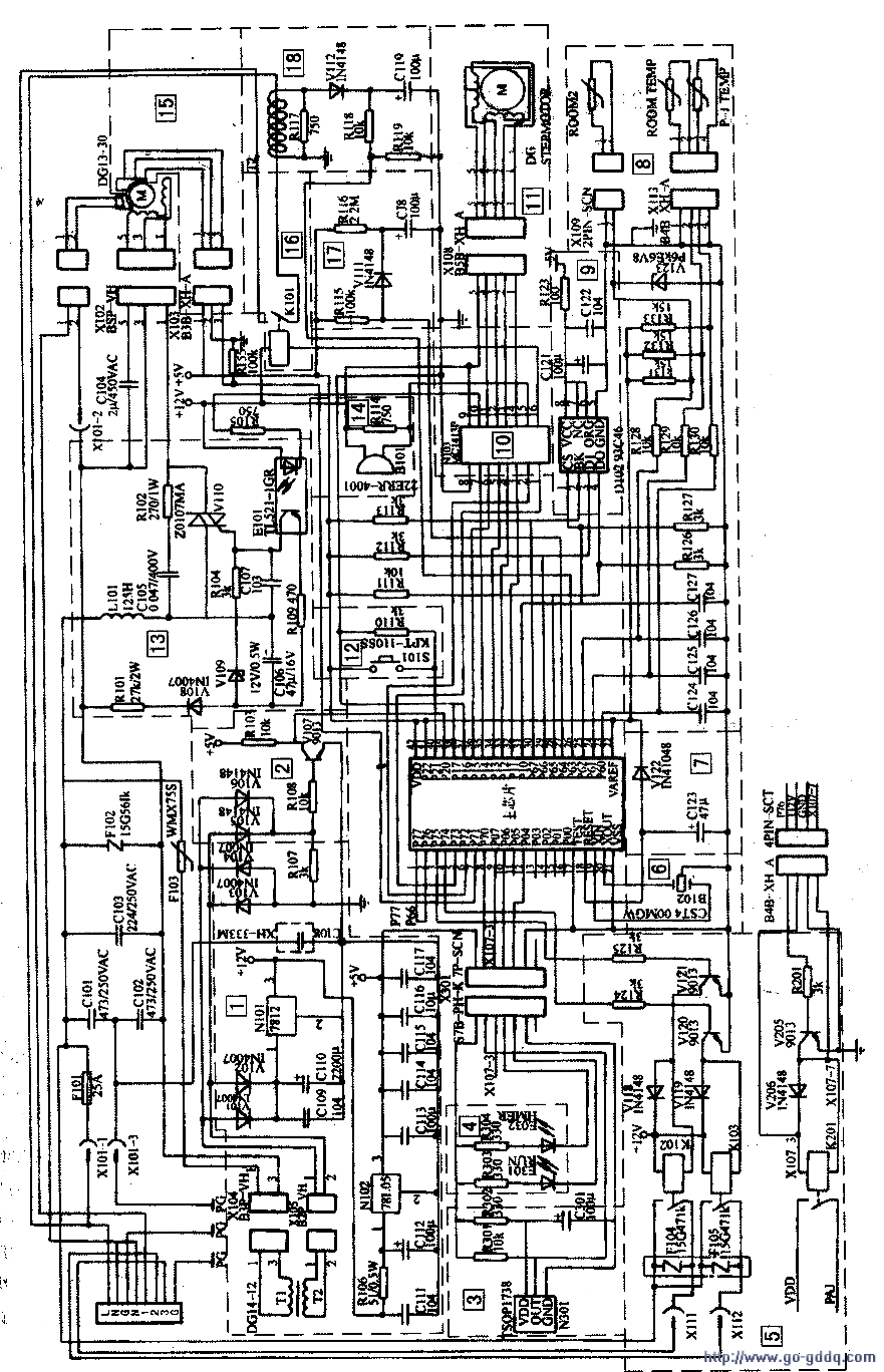
附图KFR-35GW/BQF板的控制原理图,我们可以将整个电路图细分为18个分立电路。所谓分立电路就是在整个控制电路中相对独立的电路子系统,可以产生电信号并发送至的某一指定引脚,或从IC的某一指定引脚中接收信号去驱动执行元件(如蜂鸣器、指示灯等)或(如控制压缩机开停的继电器)等,从而独立的完成某一种控制功能(见表)。
| 标号 | 单元电路名称 | 标号 | 单元电路名称 |
| 1 | 直流电路 | 10 | 、压缩机电器驱动IC |
| 2 | 过零检测电路 | 11 | 步进电机驱动电路 |
| 3 | 遥控接收电路 | 12 | 开关电路 |
| 4 | 显示电路 | 13 | 室内风机驱动电路 |
| 5 | 室外风机、四通阀 | 14 | 蜂鸣器电路 |
| 6 | 电路 | 15 | 元件检测电路 |
| 7 | 复位电路 | 16 | 压缩机驱动电路 |
| 8 | 室内温度、蒸发器 | 17 | 3分钟延时电路 |
| 9 | 电路 | 18 | 压缩机过流检测电路 |
