春兰KFR-32二次自动复位电路原理与检修


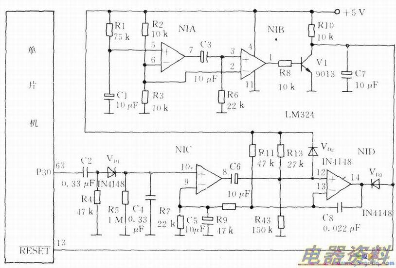
  该由LM324和外围电路元件组成,其中13脚为复位输入脚,63脚为复位信号输出脚。正常时输出的是方波信号,如无方波信号输出时主芯片自动复位。电路如下图所示。

春兰KFR-32二次自动复位电路  


  
  (1)二次自动复位电路原理。二次自动复位电路由二次上电复位电路和自动复位电路两部分组成。
  
  下面首先介绍二次上电复位电路。
  
  ①二次上电复位电路。该电路中Rl0与C7组成上电复位电路,初次通电时C7相当于短路,所以单片机复位脚为低,即单片机复位开始。与此同时Cl也相当于短路,所以LM324的5脚为低电平,即6脚高于5脚电位,输出脚7为低电平。由于电容C3两端为低电位,所以LM324的3脚低于2脚电位,输出脚1为低电平,三极管Vl截止。随着电容C7充电结束,其正极为高电位,单片机复位结束。
  
  由于Rl阻值较大,所以电容Cl充电时间较长。当其正极升至高电平时,即LM324的5脚高于6脚电位,使LM324的7脚输出高电平。由于电容C3两端电位发生突变,即C3相当于短路,所以LM324的3脚高于2脚电位,使其1脚输出高电平。三极管Vl由截止变为导通,其集电极变为低电平,电容C7通过三极管集电极与发射极放电,单片机二次复位开始。当电容C3充电结束后,其两端相当于开路,即C3负极为低电平,此时LM324的3脚低于2脚电位,其1脚输出低电平,三极管Vl由导通变为截止。但由于电容C7两端不能突变,所以三极管集电极为低电平,当C7充电结束后,单片机复位脚变为高电平,即单片机复位结束,这样单片机就完成了二次复位。
  
  ②自动复位电路。正常时单片机63脚输出方波信号,通过C2耦合电容与VD1的整流,送入集成块LM324的10脚。由于此时10脚高于9脚电位,所以8脚输出高电平。由于电容C6两端同为高电位,所以LM324的12脚高于13脚电位,其14脚输出高电平。由于二极管VD3反向连接,所以不导通,即单片机复位脚仍为高电平。
  
  当空调器出现死机时,主芯片63脚无方波输出,即LM324的10脚低于9脚电位,其8脚输出低电平。此时电容C6放电,两端相当于短路,所以LM324的12脚由低电平变为高电平,即LM324的12脚大于13脚电位,14脚输出高电平,此时二极管VD3正向导通,单片机13脚被二极管钳位于低电平,单片机复位开始,空调器停止工作。当电容器C6充电结束,即LM324的12脚由低电位变为高电位,LM324的12脚大于13脚电位,其14脚变为高电平,二极管VD。截止,单片机13脚由低电平变为高电平,即复位结束。
  
  (2)二次复位电路的检修。检修时测I)M324的14脚电位,如该脚为低电位,说明自动复位电路正常;如为低电平,说明故障在自动复位电路。该电路多为电容C6损坏,检修时可通过测量LM324的8~14脚电位来进行故障分析与判断。
  
  检修时如测LM324的14脚电位正常,可再测量二极管D3正极电位;如该电位不正常,说明故障在二次上电复位电路。该电路常见故障为电容Cl、C3、C7漏电或集成块LM324损坏,检修时可通过测单片机13脚电位来判断复位电路是否正常。
  
  如果三极管Vl集电极从上电后一直为高电平,则多为三极管Vl或电容C7损坏;如果测量集电极电压正常,则多为三极管Vl之前电路故障。