开关输入是通过用按钮开关实现空调器功能控制的电路,它将开关量信号转换成所能接收的数字量信号,即1或0。其电路主要有如上图、下图所示的三种。
(1)如上图(a)所示,当开关K断开时三极管V处于截止状态,其集电极为高1。当开关K闭合后,5V通过Rl、R2分压送入三极管基极,此时三极管V正偏导通,其集电极由高电平1变为低电平o。这样通过输入电路就将开关的闭合与断开转换成数字信号0或1,并输入到单片机进行功能自动控制。
(2)如上图(b)所示,当开关Kl、K2断开时,由于R1~R3的作用,单片机三个信号输入端均为高电平1。当某开关闭合时,由于开关一端接“地”,所以此时单片机输入脚也相应为低电平0。单片机经内部分析判断后,控制相应地输出电路工作。
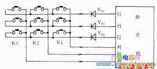
(3)在下图中,正常时触摸按钮为常开状态,此时单片机对整个键盘进行一次扫描看是否有键按下。如果有键按下,则进行逐行扫描,以判断按下的键哪一行在哪一列。扫哪一行时单片机就向该行输出信号,该电路中VDl~VD3用以防止输入信号对输出信号的干扰。
由于开关输入电路比较简单,其主要故障多为某按键不起作用或接触不良。检修可通过测量单片机输入端的电位高低来判断开关电路是否正常。其主要损坏元件多为触摸按键接触不良,三极管V损坏,以及印刷电路板过脏或接插件接触不良。

