过零检测主要作用是,当过零时,控制双向,因过零时激励双向可控硅可以减少干扰,此信号还可作为计数或时钟之用。
该电路有两种形式,电路如下图所示,其原理与功能如下。
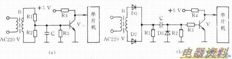
(1)在下图(a)所示的电路中,B为电源,Rl、R2为,C为高频,R3为分压,R4为集电极负载。
当交流正半周信号输入时,三极管V导通,负半周时三极管V截止,这样就在三极管集电极上输出与电源同的方波信号,此信号被送入单片机中断脚后,进行过零控制。
(2)下图(b)与上面介绍的过零检测电路原理基本相同,所不同之处在于用整流VD1、VD2替换下电阻Rl、R2,增加了耦合C、负载电阻Rl,该过零检测信号由三极管V集电极输出与电源同频率的方波过零信号。

过零检测电路常见故障多为三极管或耦合电容损坏,当其损坏后会造成空调器无电源显示、不接收遥控信号,按动强制开关或自动开关,空调器不工作。