空调双向通讯指由室内向室外发送出控制信号后,再由室外机向室内机回送控制信号。下面介绍常见的几种双向串行通讯。
下图的室内通讯信号由R2经V2驱动器,经通讯线至室外R8、V4反相驱动器,给室外提供输入信号。
下图的室外通讯信号由R6经V3反相驱动器,经通讯线至室内电阻R4、Vl反相驱动器,给室外单片机提供室外信息。(该电路所传送的是脉冲信号,而不同于普通的信号,检修时要注意。)由于该电路输出的是脉冲信号,而又采用一根通讯线,所以只能通过示波器或逻辑笔进行检查。

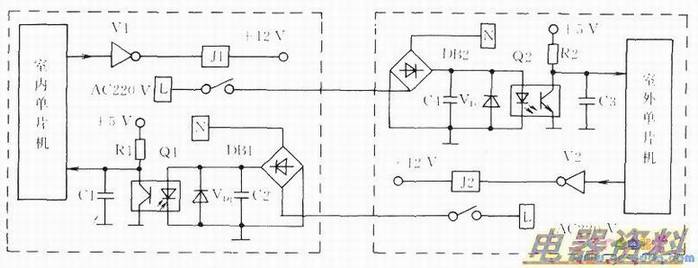
下图室内向室外通讯工作过程如下。室内单片机输出信号经Vl反相驱动器,使Jl吸合,即火线L经Jl触点、信号线输出到室外机。在室外机经DB2桥式整流,使Q2光电耦合器导通,然后给室外单片机提供一个瞬间低信号。室外单片机将此信号判断后,由V2再给室内回送控制信号。
由于该电路室内外通讯采用的是继电器输出信号,所以检修时可以通过“听”进行故障判断。如开机后室内有继电器吸合声,说明故障在外室通讯电路;如开机后无继电器吸合声,说明故障在室内通讯电路。
