一种修理手机射频电路的简便方法


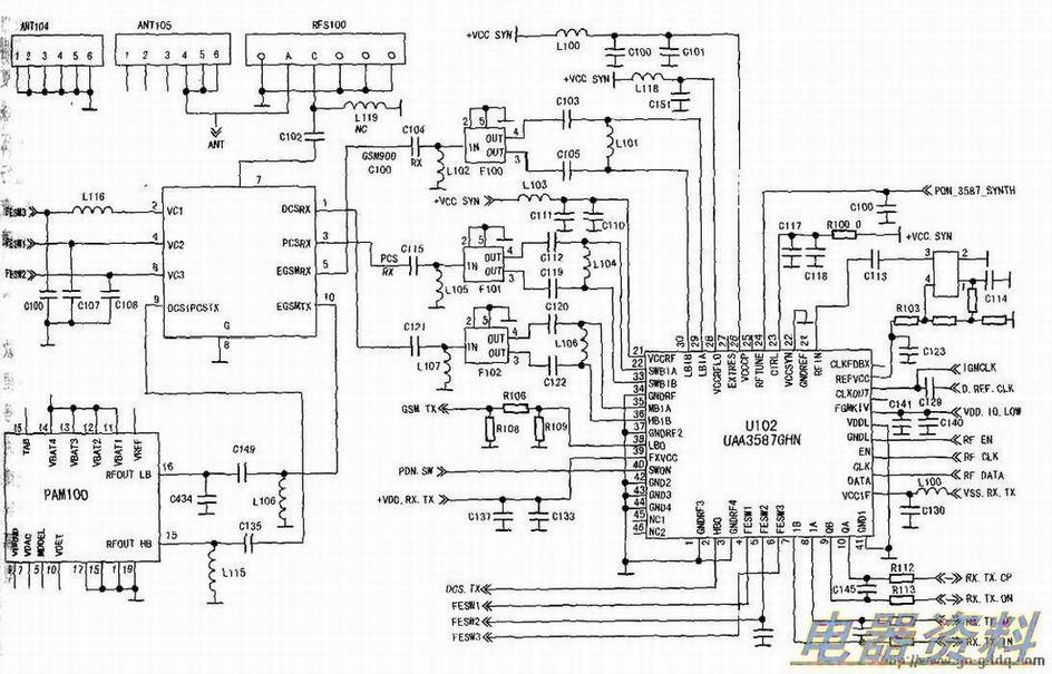
  手机的接收机分为四种基本结构:超外差一次变频接收机、二次变频接收机、直接变换的线性接收机和低中频接收机。发射机又分为三种:直接变换的发射机,带偏移的发射机及带上变频的发射机。下面以飞利浦公司的复合射频信号处理器UAA3587为例,来说明射频的修理方法(采用此芯片的有三星D500、D508、A437、A436等机型)。

  如果一部手机出现不能通话的故障,我们该如何进行修理呢?  

  首先判断是不能呼叫还是不能受话。此时应检查按键发射键和接听键1、送话器、受话器。这些都没问题的话,试着拨打112看是否能通。接不通的情况又分为两种:这可能就牵扯到发射机和接收机的问题了,一般称为真不良。

  真不良出现后,看手机显示屏上的信号强度是否足够大一般3格以上为正常),如果没有信号或者信号幅度很微弱,则呼叫无法建立,显示屏上(装入SIM卡开机后)是否能够显示中国移动或中国联通字样,如果不能显示则应检查接收部分,包括天线、、中频及部分等,否则,查发射部分。

  1.接收部分的检修

  如果手机出现无接收故障,可小心地拆开外壳漏出主机板,按如下所述内容进行检修(以GSM通信为例)。

  用示波器检查R112~R115处的RXl/Q信号是否正常。若正常检查26M信号是否准确。对故障机进行软件更新(下载,DOWN LOAD)处理,或检查更换U101、OSC400、U200。

  若RXl/Q信号不正常,检查L109处是否正常(正常电压值为+2.75V左右),若L109处电压不正常,检查更换( U400.PCF50603),请参阅相关资料。

  若L109处电压正常,连接一根金属导线到C104处,看手机能否进入服务状态(即插入SIM卡开机后屏幕上显示中国移动或中国联通字样,下同)。若手机能进入服务状态,检查C102或更换天线开关U100。

  若连接金属导线到C104处,手机不能进入服务状态,连接金属导线到Ll01处再检查RXl/Q信号,看RX1/Q信号有无好转。若RXl/Q信号好转,检查更换F10、C103、C105。若RXl/Q信号没有好转,用示波器检查U102(12)-(14)脚、(7)脚、(40)脚的控制信号是否正常。若控制信号不正常,检查U200的或更换CPU(U200)。

  若控制信号正常,检查U102的外接元件或更换U102。

  2.发射部分的检修(相关电路如图所示)
  
  若手机出现无发射故障,可按如下步骤进行,检修(以王汉伟GSM通道为例)。

  连接一根金属导线到R106处,看手机能否进入服务状态。若不能进服务状态,检查R112~R114处的TXl/Q信号是否正常。若TXl/Q信号不正常,检查U200电。若TXl/Q信号正常,检查更换U102。

  若连接金属导线到R106处,手机能进入服务状态,应检查功放电路。

  若连接金属导线到L108处,看手机能否进入服务状态,若手机能进入服务状态,检查U102(4)~(6)脚控制信号是否正常,否则检查更换U102。若U102(4)—(6)脚信号正常,检查更换Ul00。

  若连接金属导线到L108处,手机仍不能进入服务状态,检查相应的、、等是否损坏。若元件正常,检查更换功放模块PAM100天线开关Ul00或检查U200(CPU)电路等。

  另外,手机无发射有时也可能是软件运行不正常,软件运行不正常虽然很容易搞定,但不容易引起重视。这里要提醒大家,软件不正常可通过测量发射开关控制信号TX ON或TX EN来判断。拨打112时,待机时TX ON为低;发射时为高电平。若拨打112时表指针有规律摆动,说明软件运行正常;如电流表值仅几十毫安且指针无摆动,说明软件运行不正常。当软件运行不正常时,只要重新DOWM LOAD(写字库、下载)即可,此时应注意机型与版本信息要一致。