在维修中,经常遇到“同样的现象不同的原因,同样的原因不同的现象”的故障,就像明基的通病一样,虽然原因大家都知道,可大家遇到的故障现象却不尽相同。
常见故障有以下几种:1. 显示器能够正常开/关机,指示灯正常变化,黑屏(能够看到屏幕加电的变化),有暗像没有背光。 2. 不能正常开/关机,一接上220V,面板指示灯就快速闪烁,开/关机无效。3. 能够正常开机,但指示灯壳后,背光亮一下就马上熄灭,同时面板指示灯也熄灭。几秒后指示灯再亮,背光再亮再灭。 4. 能够正常开机,指示灯壳后,背光亮一下即灭,指示灯正常,能够关机,屏幕有暗像没有背光。5. 能够正常开/关机,面板指示灯正常,背光能亮,几秒钟或几分钟后才熄灭。此时面板指示灯正常,关机再开,背光亮一下即灭。6. 能够开机,但只要一开机,指示灯就开始快速闪烁,此时开/关机无效,只有拔下220V插头。如果拔下电源再插上,仍然可以再次开机,但又重复指示灯闪烁。7. 能够正常开/关机,面板指示灯正常,开机几个小时后黑屏。黑屏后,面板指示灯正常,有暗像,可以正常关机。关机再开,又可以再亮几十分钟或者几个小时。8.接上电源后开/关机无效,接下POWER键没有反应。9. 只要接上220V电源,无需开机,显示器就白屏。如果开机,屏幕可以正常显示图像。苒关机后仍然是白屏。
分块分步检修法
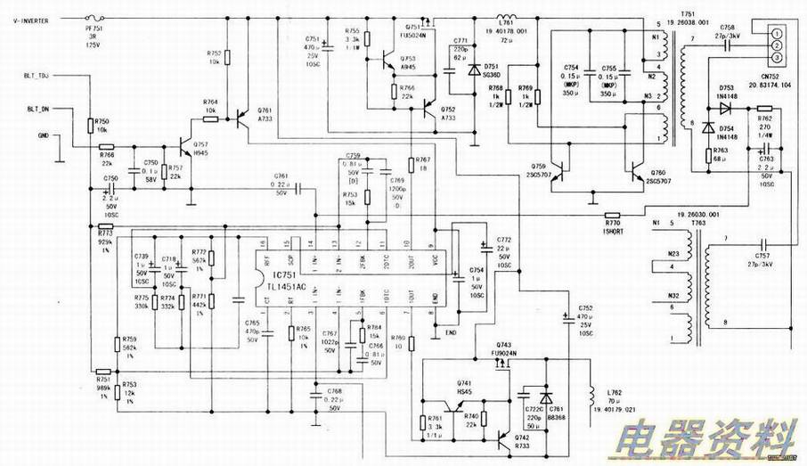
明基高压板的如图所示,其工作原理是:双路输出可调脉冲方波,分别经过由A733与C945推挽放大后,推动场效应管IRFU9024与组成的降压电路,输出10V左右的供给由两只C5707与0.22μF及高压线圈组成的高压发生单元工作。驱动板的MCU通过ON/OFF信号控制PWMIC是否输出推动脉冲来控制灯是否亮;通过MCU输出的ADJ信号的高低(或脉宽的大小)来控制脉冲占空比的大小,用于改变IRFU9024输出电压的大小,继而来改变高压输出的大小从而实现控制灯的亮度变化。所以由两只C5707和0.22μF/160V以及高压组成的高压发生单元是一个独立的单元,只需要加入工作电压即可工作。同时四灯有两组同样的电路。
高压板电路可分为供电单元、PWMIC单元、9024控制单元、5707高压发生单元几个部分。在检修时可对上述几个单无分块分步检查,可以使用外接稳压电源供电,分别为5707单元,9024单元,PWMIC单元(TL1451),供电单元加电,以检查各功能单元电路是否正常。
1.供电单元
由电源开关变压器的次级整流、电容、保险组成。因为设计电路不同,电源高压一体板的供电有+12V和+16V两种(在这儿要注意不工作时,次级的输出电压偏高,+12V或+13V供电的可能会达到17V左右,16V供电的会达到20V以上,这也是为什么的+12V供电使用+25V或+35V的滤波电容,而不使用+16V电容的原因)。
一般电源高压一体板的反馈电路设计在+5V或+3.3V端,而对+12V没有设计反馈电路,所以对于输出电压不稳的故障,重点检查+5V端的采样反馈电路。同时部分液晶显示器的电源空载时(不接驱动板),+5V和+12V电压会小幅度跳变,这属于正常现象。在遇到此问题时,可加上后再测量电压,如果仍然跳动,那就是电源有故障。当然高压板存在短路故障时,也会出现指示灯有规律的暗闪,同时电源变压器会发出间歇的“嗒嗒”声。
例如三星的711N、911N、740N显示器,其高压板供电的三只滤波电容很容易在高温下鼓包失容,导致次级供电电压偏低,只有8V左右。此时在供电电压偏低的情况下,高压板为了稳定背光亮度,会减小PWM脉冲占空比,降压场效应管导通时间增加,工作变大,场效应管、线圈、续流二极管的发热量也同步加大,最终导致降压场效应管过热,而表现为电源短路。明基液晶的背光电路,当5707击穿后,就会造成+12V端供电负载短路。由于元件的差异性,当电流不是很大时,保险可能不会完全熔断,而,是呈一定的阻性,这就为你在维修明基通病时埋下了隐患,便你在更换5707、9024和0.22μF电容,甚至升压变压器后,测试时灯管仍然只有一半亮的情况出现。
对于电容鼓包失容,在更换时应严格按照电路原来设计电容数量、容量、电压、温度(1O5℃以上)进行更换。不能简单的使用2200μF或3300μF/25V的电容进行替换,因为次级滤波电容加大,会造成开机瞬间的浪涌电流加大,有可能导致次级整流二极管过流击穿或电源初级的电源管过流击穿。液晶显示器中使用的滤波电容必须是105℃或125℃,使用85℃的电容寿命一般很短。
