UPS的中文意思为“不间断”,它可以保障计算机系统在停电之后继续工作一段时间以使用户能够紧急存盘,使您不致因停电而影响工作或丢失数据。它在计算机系统和网络应用中,主要起到两个作用:一是应急使用,防止突然断电而影响正常工作,给计算机造成损害;二是消除市电上的电涌、瞬间高、瞬间低电压、电线和偏移等“污染”,改善电源质量,为计算机系统提供高质量的电源。
在线式UPS结构较复杂,但性能完善,能解决所有电源问题,其显着特点是能够持续零中断地输出纯净正弦波交流电,能够解决尖峰、浪涌、频率漂移等全部的电源问题;由于需要较大的投资,通常应用在关键设备与网络中心等对电力要求苛刻的环境中。后备式UPS是我们最常用的,它具备了自动稳压、断电保护等UPS最基础也最重要的功能,虽然一般有10ms左右的转换时间,逆变输出的交流电是方波而非正弦波,但由于结构简单而具有价格便宜,可靠性高等优点,因此广泛应用于微机、外设、POS机等领域。
使用后备式UPS后,当有时市电电压不稳或由于市电突然停电,UPS自动稳压或转为自动供电,这种转换过程需要大约10ms~20ms,中间有大约10ms的时间是无电压输出的(由于其自身的设计,用内部电磁转换)。这期间ATX电源主要靠大容量的放电为其CPU等部件提供电能,由于某些ATX电源的设计或其他原因不能满足这段时间的供电,就会出现供CPU和其他元件的电压瞬间降低然后又正常的现象,从而造成某些电脑死机重启的现象,我的神舟牌台式电脑用的就是后备式UPS,当电压不稳时,听到UPS内的继电器吸合的声音,有时昕到继电器吸合的声音电脑就自动重启。
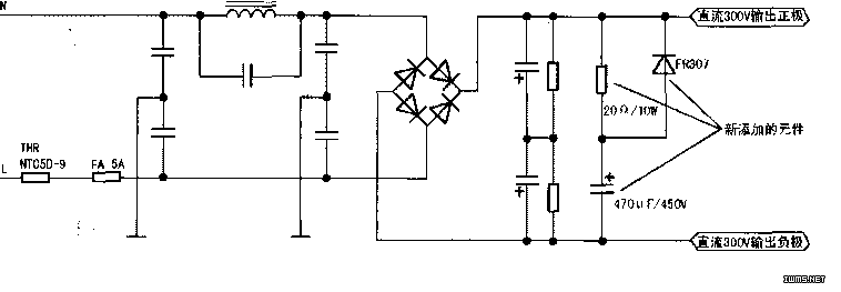
怎样才能用简单方法解决这种由于UPS转换时间过长造成的电脑系统重启的现象呢?考虑到使用大容量,于是找一只470μF/450V的进口电解电容,这种电容体积小容量大,寿命长,可直接放在ATX电源的屏蔽壳内的合适地方,如直接将该电容并联到前级+300V和热地之间,会因为其容量过大,瞬间的大充电有可能损坏原机保险,使用了两个辅助元件:和,对添加的电容充电的峰值电流控制在一定范围,而在继电器转换那10ms左右的时间,该电容会自动通过所添加的快恢复和为后级部件提供足够的电能,因为用快恢复二极管,该转换时间为0.5μs以内,快恢复二极管两端的压差小于1V,可以忽略不计。
经过这样的改制后,电脑再未出现过因电源电压波动而引起的电脑死机和重启的现象。时至今日用该电路已经改制了10余台普通P4的ATX电源,效果一直很好(注:本电路对采用普通ATX和带无源PFC校正电路的ATX开关电源有效,对采用主动式有源功率因数校正电路的ATX开关电源不适用),改制图如图所示。
