接到此机测试确实是不认硬盘,而且启动的速度很慢。由此判断应是光驱和硬盘冲突引起的,于是把光驱拔去,故障依旧。此机是SATA接口的硬盘和IDE的光驱,两者没有直接联系,它们是两个不同通道的,在机器中都是主设备。因此排除这两个设备冲突的疑点。
查看供电,把主板拆出来,裸板测试,没有问题。
再查看接口,挺好的,也没有脱焊的痕迹,为了保险起见补口,还是没有解决问题。
测量接口到南桥的4根数据线,对地阻值为O,由此判定南桥出现了故障。将其换新后,问题解决。
在这里要特别说明一点,我在换南桥时不注意而漏焊了“C29”点(如图所示)。

于是补上焊盘,装上一个好的南桥,开机不亮,还以为是南桥安装有问题,也没多做测试,就又重新安装了,仍然不开机。于是把测试卡飞线接到主板上。如下图所示的测试卡连接图和测试卡。

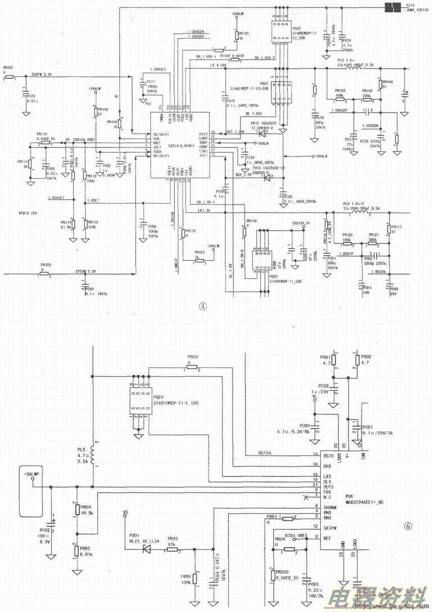
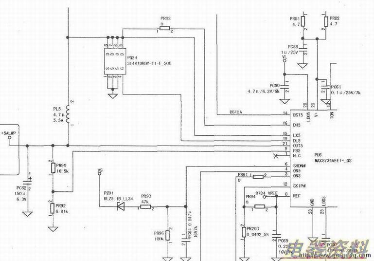
开机不复位,经测量为0.65A,不复位说明南桥没有工作,那它的工作条件一定没有满足,于是就测量主板上的PL9、PL8的电压发现没有了1.8v和1.05V的电压。于是找产生两个电压的PU702813LN,检测其工作条件如图所示(1.8V/1.05V的产生电路图见下页),于是判定PUT损坏,换一全新的,再测量两个电压,一切正常,都恢复正常。

开机测试还是不亮,测量电压,又发现一个问题:5V电压变成了4.33V,这是怎么回事呢?测到待机5M也是4.33V,如图所示待机芯片。

由此确定待机电压引起S电压的问题,电路图如下图所示。
是否为待机芯片欠压输出的问题呢?

于是测量PU6MAX8734的FB5端的电压,判断是不是PR90、PR92有变质的问题。
把表笔刚接到PR90、PR92的连接点就掉电,连续测了三次都是如此,问题扩大了,没有待机电压,只有0.07A的待机电流,这是这款机器常出的问题,一般是因为B+电压短路所致,经测试果然如此。但是和以往的短路造成的情况不太一样,而是产生1.5V的lCPU8ISL6269损坏,如图所示(1.5VIC短路电路图)。

更新IC PU8后短路的问题解决了,可仍没有待机。于是更换PU7待机IC然后测量待机有了正常的输出,开机机器点亮,也检测到了硬盘,进系统拷机正常。