1.截止消亮点型:这种消亮点电路误动作时将引起屏幕光暗,甚至黑屏。如康佳T2563A型彩电,V510(C2482)c—e极间漏电,轻者会出现光暗、黑线干扰,重者会出现黑屏。又如康佳60P机芯背投彩电,由于某种原因致使+15V不足,造成消亮点电路动作,旁路Rout、Gout、Bout,也会引起图像黑屏。
2.带有阴极检测功能型:由于未能检测到正常的工作电流而关闭R、G、B输出,出现黑屏。如康佳c系列彩电,三视放不平衡或某枪偏色均可导致黑屏故障。c系列中,TDA8843的22脚电压一般在3.5V左右(正常值);出现黑屏故障时,如果18脚电压为4V左右,则可判断视放电路有故障,用比较法测三视放电路电压及值来锁定故障部位。若22脚电压不对,则先断开行电路后检测,看电位正常与否;若仍不正常,故障在场电路;若恢复正常,故障在行相关电路。
3.ABL电路故障导致电路关闭,亮度及亮度通道增益下降,出现图暗、黑屏:如康佳A系列彩电中,LA76810的13脚C341,使内部亮度、关闭,导致图暗黑屏。
4.亮度、对比度控制电路被关死出现黑屏:如康佳T2588X型机,CPU(M37210M3—800SP1)模拟量供电“排阻”①脚掉电(VD216击穿或R218开路),使模拟电压全部为零,导致机器黑屏。
5.CPU电台识别脚检测不到正常的电台信号时。CPU输出高电平(有屏保功能机器)。通过字符消隐端口消隐掉图像内容而呈黑屏。
6.CPU场脉冲脚接收不到正常的场脉冲信号.字符消隐信号为高电平,该高电平加至:RGB电路。消隐掉图像信息:如康佳背投CPU(sT92T167)的27脚出现高电平,加至TAl316的50、51脚出现的黑屏。
7.康佳T2988P型彩电,解码器TA8880CN⑤脚供电偏低{正常9.1V)时,内部电路关闭了R、G、B输出,使屏幕大画面无显示。而小画面正常。
8.带有图文功能的彩电,图文电路异常时,图文消隐呈高电平,通过字符消隐端口,消隐掉图像。
9.画中画彩电,小画面选通电平异常(呈高电平)时,也会引起黑屏。在图中所示电路中,TA8880CN 21脚为集成块内部的TV/TEXT开关控制脚。屏幕上需要显示字符时,25脚输出的Y/Y控制脉冲信号通过RA25、R303、VD312加到TA8880CN21脚,控制集成块内部的TV/TEXT开关切换电路将R、G、B字符脉冲与内部信号通道接通。需要显示子画面时,子画面的选通脉冲YS通过VA12射随器送到TA8880CN 21脚,接通集成块内部的子画面信息传输通道。TA8427⑦脚输出的场逆程脉冲,通过R317、R302、vD311、R511加到TA8880CN 21脚作为场消隐信号。
TA8880CN 21脚只在TEXT状态下才呈高电平,21脚一旦呈高电平,内部开关将切断TV信息。若该脚持续为高电平,就会出现黑屏故障。电视机出现黑屏故障时,判断集成块TA8880CN是否存在故障的方法是测21脚电平。若出现高电平,可瞬间短接21脚到地,看屏幕反应来确认故障。
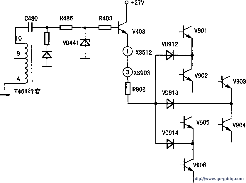
10.行逆程扫描消隐电路故障引起三枪截止而黑屏。如康佳T2988P型彩电,为了提高图像清晰度和彩色的鲜明度,在末级视放电路中,增加了行消隐电路(见图右 )。
行扫描逆程期间,T461⑩脚输出的行逆程脉冲经C480、R486、R403隔直降压,VD441限幅,输入至V403的基极,从V403射极输出逆程正脉冲,通过VD912、VD913、VD914注入射一基视放电路的中点,促使V901、V903、V905射极电位在行扫描逆程期间升高而截止,即电子束在行逆程期间完全截止而消隐。当V403 c—e结击穿漏电时,此电位同样会使V901、V903、V905截止,而出现黑屏故障。检修该机黑屏故障时,可测V403 e极电压(正常收看时为低电压),或取下R906判断。然后逐一检查相关元件,即可排除故障。
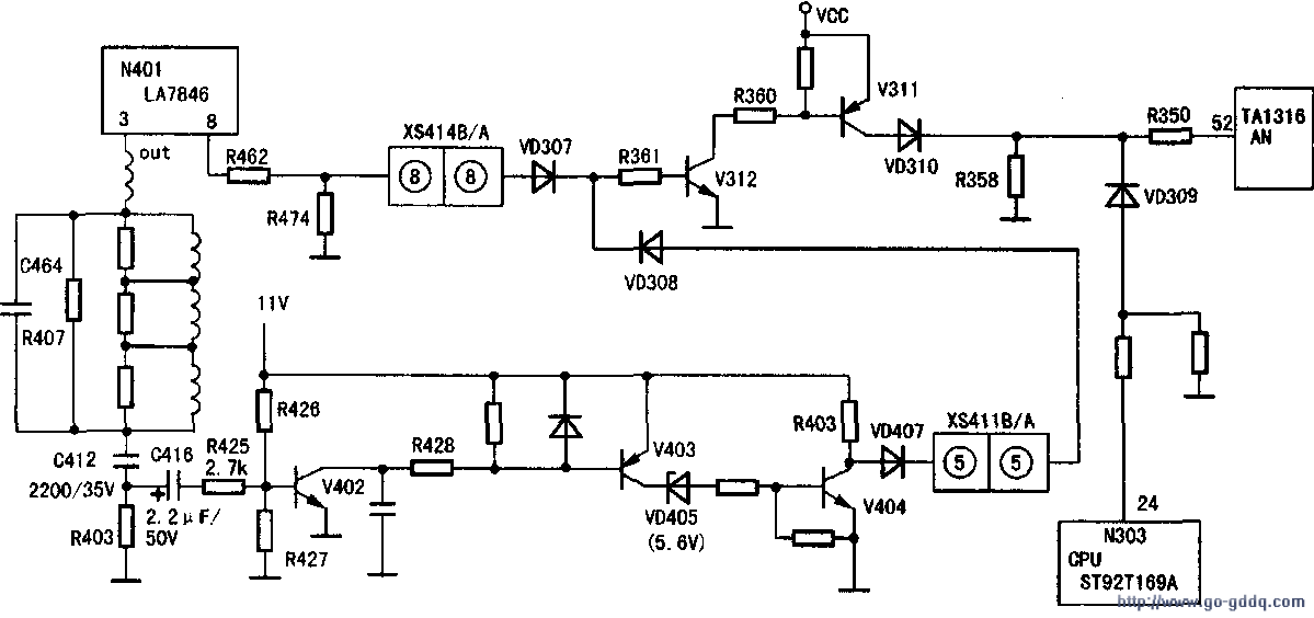
11.场保护性消隐黑屏。左图为康佳60P机芯背投彩电场保护性消隐电路。当60P机芯背投彩电场出现故障时(或中工厂软件数据变化、Vramp垂直斜率、Vramp斜波线性任一项不为O时,加到场的激励信号异常),由C416、R425引入的场扫描反馈则为0V,V402处于截止状态,V403截止、VD405、V404截止,VD407导通、VD308导通、V312导通、V311导通,V311的c极为高电平,通过vD310加至TAl316AN 52脚,内部消隐开关启动,关闭R、G、B输出。另外,N401⑧脚输出的场逆程脉冲出现异常高电平时,通过R462、R474分压,使VD307导通,同样将高电平送到TAl316AN 52脚,使图像信号消隐。
检修60P机芯背投彩电黑屏故障时,若测得TAl316AN 52脚为高电平,可取消VD310后看屏幕反应(切记:开机时间应当很短,否则损坏投影管)。若出现光栅,则证明场消隐引起黑屏;若荧屏下部出现卷边而上部光栅正常,则是存储器数据变化,这时只要迅速进入工厂菜单1,将Vramp、Vrmp1调定为O,即可恢复正常光栅;若出现水平亮线或其他场故障,则进一步检查场电路;若光栅正常,说明场消隐反馈电路误动作引起黑屏。
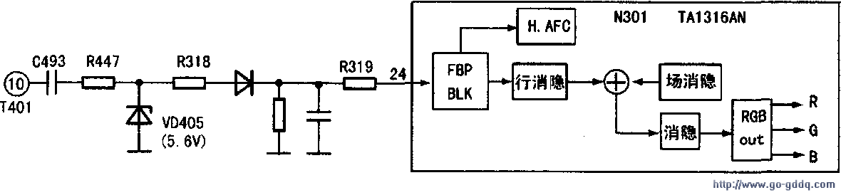
12.行逆程脉冲丢失也可能引起行消隐而黑屏。如康佳60P机芯背投彩电,解码块TAl316AN 24脚是双功能脚,一方面引入FBP加到行AFC,用以同步行振荡;另一方面当行逆程脉冲丢失时,作为行消隐脉冲加至行消隐电路,然后控制R、G、B输出,令其消隐。
在右图所示电路中,若VD405击穿或其他原因导致24脚没有正常的行逆程脉冲输入时,行消隐电路动作,就会使R、G、B输出端终止输出而出现黑屏故障。
13.背投彩电会聚选通电压异常也会使图像消隐。背投彩电在调会聚时,屏幕上能显示反映会聚效果的方格图像。会聚图案发生器产生的R、G、B方格信号及会聚选通信号加至TA1316AN,由会聚选通电压控制TAl316的49脚。当需要显示会聚时,通过49脚控制内部电路使屏幕显示内容切换至会聚R、G、B输出,而TV的R、G、B被阻断。若会聚电路工作异常,会聚选通输出高电平加至49脚,同样会使TV信息中断输出,出现黑屏。
检修背投彩电黑屏故障时,只要短接49脚到地,或取下会聚选通耦合R347,看屏幕光栅情况,就可判断故障是在会聚板,还是在其他电路。
14.视放板低压供电丢失,三视放同时截止,也会出现黑屏。不同机型,低压供电有5V、9V或12V三种情况。
15.图像信号处理通道不工作或工作异常,信息未能送入下级处理电路而黑屏。如康佳P2903T型机板掉电,使扫描格式变换电路不工作,而阻滞图像信息,使屏幕黑屏。
16.存储器设置不当。使整机工作模式不对,信息切换错误而出现黑屏。如康佳T2976S型机,工厂菜单3中的USED(声音模式选择),由于该机无丽音,应选择No,若变成了YES,则会使超级芯片VCT3803的①脚呈高电平,而使TC4052的⑩脚变为高电平,TV信息不被选择,出现黑屏、无声故障。把MSPUSED选定在NO上,故障即可解决。
17.CPU没工作,行电路自行开机,软件故障、总线传输故障也可能使图像黑屏。