1.MeltisimlO文件导入(网表输入)
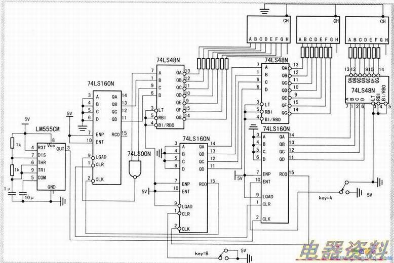
利用Ultiboard10设计时,并不是孤立地使用Ultiboard模块,一个完整的PCB设计过程需要在前端设计上有Multisim的支持,它完成的输入以及仿真验证,然后再导入Ultiboard进行PCB设计。下图是在Multisin]10中建立的三位数字秒表电路图。注意电路中不能出现虚拟器件(示波器、等除外)。

导入文件前在Multisimll0中设制电路板层数:点击“Optioris"菜单项,在弹出的下拉菜单中点击“ShmeetProperties"对话框,选择"PCB"如下图所示在Number0fCopperLayer。s中选择2(最多可选64层)。
选择工具菜单栏的“Traflsfer”项,在弹出的下拉菜单中点击“TraflsfertoUltiboard”。弹出文件保存对话框,选择好路径后点保存,同时自动进入Ultiboard界面。

2.PCB板文件参数设置
打开Ultiboard后自动弹出“缺省走线宽度和间距”对话框.如上图所示。下图对话框中"Widttl”(走线宽度)缺省值为10mil UrlitS(单位)可设置为um、mm等,同时可调整Clearares(间距)。调整完毕点击“OK”,出现“输入网络表选择添加”(ImDortNetlist Actiorl Selectiorl)对话框,点击“OK”,在工作区的黄色区域外出现下图所示带飞线的电路元件图。将全部元件移入板上合适位置,图中出现一端带小圈有方向的棕色线条.称为强制向量。

