1.为提供满足其要求的工作和控制
逆变器的特点是:只要+24V(或+12V)供电电压正常,开/关控制信号正常,背光灯就能点亮。逆变器中的亮度控制信号只影响背光灯的明、暗程度,更何况有些液晶电视的亮度控制根本不是通过逆变器实现,所以,逆变器工作与否,与CPU输出的加到逆变器上的亮度控制信号无关。
在无信号处理板,单独对32英寸液晶电视逆变器进行维修时,可用一(大于4A,输出电压为+24V的稳压电源。有液晶电视专用电源的,可直接用专用电源进行供电,如长虹GPO3、GPO2等。如没有液晶电视专用电源,采用独立稳压电源供电的,则需对稳压电源的。输出电压进行调整,如增加一组+5V输出电压或+3.3V输出电压)直接为逆变器供电。如三星LTA320WT-L16屏逆变器,若要单独维修,则只要给插座CN1(1)~(5)脚接+24V供电,(12)脚接)3.3V(可由24V电压稳压产生),再将输出插座接至灯管。就可对逆变器进行单独维修了。此时接通电源,若灯管正常发光,则说明逆变器正常。
2.用电压检查法对中的集成块、三极管、稳压器工作电压进行测量
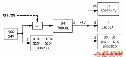
逆变器要正常工作,首先各、三极管等工作电压要正常。如三星LTA320WT-Ll6屏中的逆变器。在该逆变器中,来白电源板的+24V电压送入逆变器(VIT75001.50(后分两路(见图):一路直接为Q101-Q104、Q201~Q2O4供电:另一路经U4(78DO8L)稳压后形成+8V电压,该电压受CPU的开/关信号控制,当CPU输出高时Q3导通,+24V电压送入U4,经U4稳压后输出+8V电压送往U5、Ul~U2、U201~U2O2。维修时,可先测量各、三极管的工作电压,根据电压可很快找到故障部位。

3.用测量法测量集成块、三极管、稳压器的对地和的直流
逆变器工作电压和关键测试点可用电压测量法查找故障,但一些贴片元件和信号处理脚较难测量出异常电压,而且测试不当很容易损坏元件,加之任何功率输出电路(变压器或放大IC)出故障均可引起保护,很难用电压测量法找出故障点,采用测量所怀疑元器件正、反向电阻并与所掌握资料的参考电阻相比较,可快速查出故障原因。
电阻测量法特别适合对逆变器中输出变压器故障的判定。因为变压器失效一般表现为初、次级绕组开路或短路,即初、次级绕组阻值变大或变小,由于初级绕组线径大、次级绕组线径小,所以,变压器失效绝大多数表现为次级绕组开路或短路。而任一变压器失效均可能引起所有功率输出电路不工作,很难用电压检测法来判断故障,维修时使用正确的电阻检测法可方便地找出故障原因。如下图所示,用电阻测量法对输出变压器进行故障判定时,应当首先找到变压器的初、次级绕组,用测量阻值。如三星LTA320WT-L16屏逆变器,若测得0.65Ω<初级绕组阻值<0.55Ω,1.35kΩ<次级绕组阻值<0.25kΩ,可判断该变压器已失效,需更换。T1~T8变压器的型号一样,初、次级绕组的电阻值基本相同,可对比测量。
