由于该故障时隐时现,没有规律可循,时常令维修人员感到束手无策。检修时,发现该故障有很多奇特现象,主要表现如下:一是轻敲机壳有时能消除黑屏,有时却不起作用;二是在开壳用进行检测过程中,表笔碰触某些针脚时会使故障现象消失或再次诱发黑屏:三是在工作正常的情况下关机测量有关部件的在路,测量完毕再次开机却出现黑屏故障,而在黑屏状态下关机测量,等再次开机时又可能工作正常。说明在实测过程中有可能处于正常、故障或两者过渡三种状态下。状态的不稳定性,不仅带来了测量数据的不确定性,使得很难对测量结果做出正确的分析判断,而且大大增加了故障排查的盲目性和维修难度:四是该机芯采用多个组件、和大量的贴片元件,元件密集、线路复杂,在路测量和拆卸都比较困难,稍有不慎,极易诱发新故障,使维修进入困境。
归纳出了有关该故障的维修方法和技巧:
1.排除高频头故障
开壳前,反复按压电视机前面板上的“SystemTV”键,检查在I、D/K、M、B/G四种不同制式下的工作情况。可以发现,当选择1、D/K模式时均会出现黑屏无声故障,而选用M、B/G模式时黑屏消失出现图像和声音,但声音严重,较大。不过,不管选用哪种制式,甚至在出现黑屏故障时,屏幕上都能看到代表相应制式的字符。
我国的电视广播采用PAL制,音频制式为D/K,而与I、D/K、M、B/G四种制式分别对应的电路均位于中频盒内部。既然在M、B/G模式下能接收到图像和声音,因此判定该机高频头工作正常。
2.排除和显示电路故障
黑屏时,将电视机切换到AV状态,由电视机前面板AV输入端输入一个外接视频信号,并选择AV3通道,故,障消失,出现正常图像。这表明该机中放后的解码和显示部分工作正常,AV和TV信号源选择电路基本正常。若显示AV3信号时仍然有黑屏,应着重检查中放后的解码和显示电路,这里不在赘述。
3.排除TV和AV选择电路故障
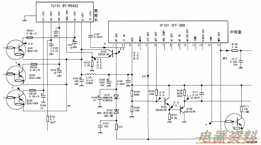
信号源选择电路在选用AV3信号时正常,还不能完全确认选择及相关电路正常。为做更进一步的检查,可将电视机置于TV状态,在出现黑屏故障时,用外接的视频图像信号源通过一只47μF~220μF的连接至下图所示中频盒的VIDEOOUT(12)脚,并注意观察故障变化。
由下图可知,中频盒(12)脚用于输出来自于高频头RF输入端并经中放后的TV视频信号,该信号同其他AV信号一并经过选择电路后(下图中未画出)送到解码和显示部分。由于这里用外部视频源替代中放盒解调后的视频信号,因此,若发现黑屏故障消失,能够显示外部信号源图像,则可断定TV信号选择及相关电路完全正常。
4.排除I电路故障
该机型采用IIC总线控制,中频盒(11)、(13)脚为受控端。尽管与I、D/K、M、B/G四种制式对应的电路位于中频盒内部,但究竟选择哪种制式却是通过对中频盒外部的(11)、(23)脚加不同组合的高低来实现的。其主要控制关系是:先通过按压“SystemTV”键给CPU输入端施加控制信号,再由CPU给中频盒(11)、(13)脚输出受控信号实现制式选择。
在D/K制式下出现黑屏时,测中频盒(11)脚(TSWO)为低电平L,(13)脚(TSW1)为高电平H,其值分别接近OV和5V;按压“SystemTV”键分别选择M、B/G、I制式时,(11)、(13)脚的高低电平组合都有相应的变化。由此可见,中频盒已经通过IIC总线接收到了正常的CPU控制信号。根据屏幕上也有相应制式的字符显示,可以确定中频盒声音制式的IIC控制电路工作正常。
5.锁定和维修中频盒故障
通过上面的排查,已经将故障部位缩小至中频盒及外围元件。统计表明,该类型的故障机中,从未发现外围元件的损坏现象,故可直接将故障锁定于中频盒。实践证明,该组件不仅故障率高、维修难度大,而且配件匮乏、价格昂贵,网上最低报价也要300多元。其实,在我们准确定位该组件故障后,完全可以自行修复,前提是必须掌握一定的技巧,并严格遵循以下步骤和方法:
(1)取下中频盒先用电烙铁、吸锡器、镊子等完全剥离组件的14只针脚及外围的4个固定爪,取下组件。拆卸前,应将有关用具妥善接地,以防静电或漏电损坏器件。
(2)处理元器件虚焊点抠掉组件正反面的两个金属盖,即可看到其内部的器件。在中频板上主要设有集成块CX20O15A、LA7910,以及与I、D/K、M、B/G四种制式相应的6M、6.5MHz、4.5MHz、5,5MHz三端等部件。维修发现,不管还是分立元件都有多处轻重不同的虚焊点,必须认真对待,反复检查,精心处理。
(3)处理中频板地线与屏蔽盒焊点裂纹中频板上一些靠近四周外缘的地绂是分段和相互隔离的,只有将这些原本断开的分段地线分别到外围邻近的金属屏蔽壳上,才能通过金属壳体将其真正地连接起来,使中频板满足正常工作所必需的条件。
用高倍放大镜仔细检查中频板外缘地线与外壳相连的焊点,一定会找到隐蔽性极强的细小裂纹。这些裂纹主要是由于工作时组件内部散热不良温升过高,以及用户为暂缓多处虚焊造成的故障,反复敲打机壳时的震动所导致的。
