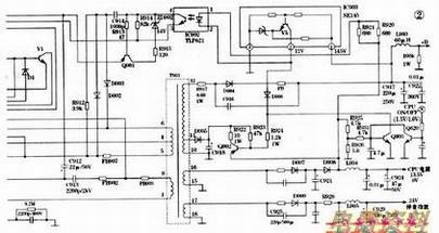
经检查发现,部分的印刷多处损坏,为确保维修后的可靠性,本人决定采用市面上常见的SY-0129型开关电源替换(以下简称电源板,电路如图1所示)

当代换成功并安装机壳后,开机发现图像上覆盖着一层细密的网纹,类似于有影碟机产生的干扰,中还伴有轻微的“噜…噜”声,显然这是一种不正常现象。它来自何处呢?难道电视机中还有高、中频自激的隐患未除?检查电视机周围并没有干扰源。拆机检查公共通道,调图像检波中周,无效;在高频头、中频通道电路供电退耦滤波电容上并接瓷片旁路电容仍无效。
难道是刚换上的电源板产生的干扰吗?为何在装前未出现呢?正深感蹊跷,无意中随手拨动了一下由电源板到主板上的一缕连接引线,网纹干扰消失了,这时注意到,当145V电源引线靠近主板某一位置时,便出现明显的图像网纹干扰,由此确诊干扰源就是电源板。
检查电源板上的脉冲。所有电视机电源的脉冲整流两端都并接了缓冲保护、谐波辐射的吸收电容、(或用小磁环套在二极管引脚上),而替换用的电源板脉冲整流电路上,这些看似次要的辅助元件都被省略掉了。抱着试试看的心态,用耐压五百伏、容量为几百皮法的瓷片电容,并接在二极管两端,发现干扰有所减弱;再在二极管负极引脚中套入一只小磁环(有的原机电源整流管上可拆取到),发现干扰彻底消除。
大量的维修经验表明,电源板除上例所述不足外还常见以下缺陷:
1.在50t{z整流滤波电路中,省掉了电网净化元件;耐压为一400V的电解电容有的质量较差,用不多久出现漏液、失容的屡见不鲜;甚至有的是用两只耐压160V的电解电容串联替代,使用一段时间后,两只
电容容量出现明显的差异而使分压不均,造成先后;在此回路中安装的保护,有的功率不足,出现易损现象。对于这些缺陷,可在替代时,把电源板上的上述元件都拆下不用,将220V交流引入改为300V直流引入,即将电源板的400V电解电容两极焊孔,焊上引入线,接在电视机原电源的400V电解电容两端,利用原机电路中质量好的元件提高可靠性,有利于净化电网上的干扰。
2.电源开关管的散热器普遍偏薄、面积尺寸不足,甚至连固定螺钉都未拧紧,极易因散热性能不良而造成烧管。对于这一缺陷,在替换前也要改用适当大的散热片,或将原机的散热片拆下,叠加在电源板的散热片上。
3.在电源板替换维修的返修机中,由于电源板省略了整流管两
端的浪涌吸收电容,常有电源板中的脉冲整流管被击穿等现象发生。可见,为提高维修的可靠性,在替换时将二极管并接上本该有的吸收电容是十分必要的。在替代维修中还发现,若出现上述的网纹干扰现象,将原机电源上的二极管拆下,替换电源板上的二极管,多数干扰会消失。可见,电源干扰也与整流二极管的质量有很大关系。以上措施大家不妨一试。