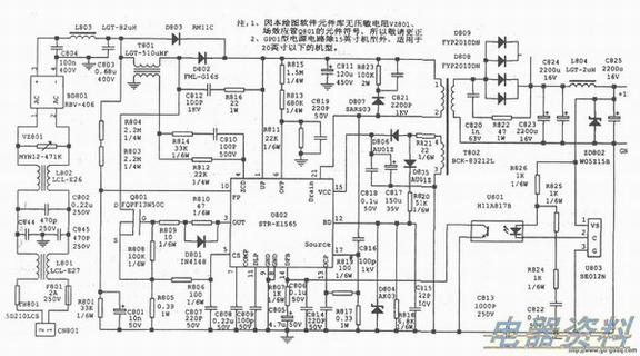
该故障通常会导致电视机出现、不能开机、开机异常、图像异常、伴音异常、屏幕显示异常等现象。相关电路见下图,首先,检测插件CN801(1)(2)间是否有AC220V。
若无,则检查用户、电视机的线及电源开关等。若正常,则测量C811两端是否有+300V(待机时)或+420V(开机时)电压。如果无,可从两个方面进行检查:(l)检查F801是否熔断或TH801是否烧损开路。如果F801烧黑或炸裂,说明电路中存在着严重的短路故障,应重点检查V2801、C844、C845、C802、BD801等元件。(2)检查电路是否正常。如果经检查电路元件正常而通电后继续熔断F801或烧损TH801,可采取逐一断开支路负载的方法来判断。如断开某支路负载后电路恢复正常,则说明该负载有问题。
通常以Q801、U802内部大功率开关管及T802次级电路元件等存在严重短路的情况较多,应按断开某支路负载后的实际情况来判断和确定、、其次,若测量C811两端+300V电压正常,可换挡测C825两端是否有+12V电压。如果无+12V电压或+12V电压存在过高、过低、不稳定等现象,一般可通过检测U802关键引脚待机时的电压是否正常来判断故障部位和原因。如经检测U802正常工作时的关键引脚电压分别是:(1)脚为+300V;(6)脚为3V;(7)脚为o.5v;(10)脚为2.3V;(11)脚为6V;(12)脚为0.8V;(14)脚为3.7V;(15)脚为22V;(20)脚为+300V。如果被浏电压异常,则先检查线路是否存在断线、脱焊或虚焊等。后对U802外围元件进行拉网式的排查,如检查R803、R804、R810、R813、R815、R805、R817、R821、R820等是否存在烧损、开路或变值;C811、C817、C808、C823、C824等是否存在炸裂、漏液、开路、短路、容量不足或性能不良:D805、D806、D804、D808、D809、ZD802、0801等是否存在开路、短路或性能不良;U801、U803等是否存在烧损。
