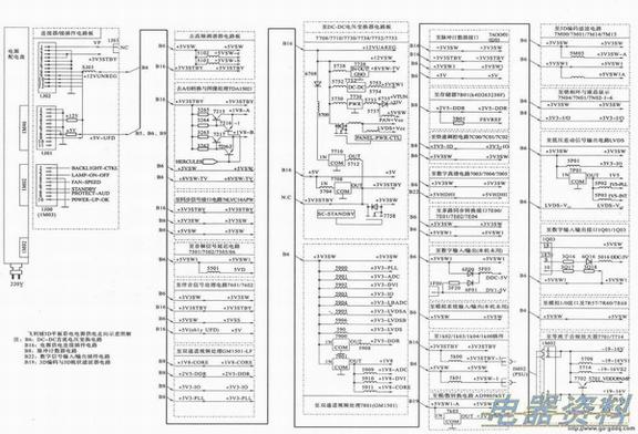
在遇到此类不能开机故障时(见下图),首先检测1J02 (12脚)接插件(3)、(4)脚的+3V3STBY待机(+3V3后辍字母ST-BY表示等待,待机),若开机后待机指示灯点亮,便可基本确认+3V3STBY待机电压供电正常。否则,应检查+3V3STBY(1J02(3)、(4)脚)插件以前的供电。其次检测1M46(11脚插件)(4)脚+12V-UFD和(7)脚+5V-UFD电压是否正常,若无电压或电压异常,应检查异常脚位以前的电源供电电路。待机指示灯亮,表明待机电源正常。

在遇到此类不能开机故障时(见下图),首先检测1J02 (12脚)接插件(3)、(4)脚的+3V3STBY待机(+3V3后辍字母ST-BY表示等待,待机),若开机后待机指示灯点亮,便可基本确认+3V3STBY待机电压供电正常。否则,应检查+3V3STBY(1J02(3)、(4)脚)插件以前的供电。其次检测1M46(11脚插件)(4)脚+12V-UFD和(7)脚+5V-UFD电压是否正常,若无电压或电压异常,应检查异常脚位以前的电源供电电路。待机指示灯亮,表明待机电源正常。
