1 工作原理
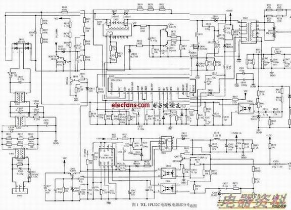
TCL的IPL32C“二合一”板电源电路,如图1所示。
它由三部分组成:一是以STR-E1565的1/2为核心组成的PFC校正电路;二是以STR-E1565的另一1/2为核心组成的+12V主电源电路,向主板提供+12V;三是以STR-A6159M为核心组成的+5VSB/1A副电源。开机后,副电源首先工作,为主电路板控制系统提供+5V供电,同时为STR-E1565提供V工作电压,PFC功率因数校正电路和+12V电源再启动工作。
1.1 +5V副电源
在IPL32C“二合一”电源板中,副电路由:厚膜电路U801(STR-A6159M)、开关T801、取样误差放大电路U808(TL431)、光电耦合器U806等元件组成(参见图1)。副开关电源变压器T801在“冷端”和“热端”有两组电压输出:一是在冷接地端输出+5VSB/1A电压,为主板上的控制系统供电;二是在热接地端有一组电压输出,不但为副电源U801稳压电路提供工作电压,还为PFC校正电路和+12V主电源驱动控制电路提供VCC工作电压。
1.1.1 启动工作过程
AC220V市电经延迟保险管F801和由C806、L801、C824、L802、C802、C803、C804、C805、L803、C805组成交流抗干扰电路,滤除市电中的高频干扰信号,送到由D801、C808组成的整流、电路,产生脉动直流电压。由于滤波电路C808容量较少,故该电压较轻时为300V左右;在负载较重时为230V左右。
该脉动电压一是经PFCL805、D804向滤波C812充电,产生约300V的PFC-OUT直流电压,PFC电路工作后,上升到380V左右,为副电源和主电源供电;二是经过R849、R867、R866、R868与R869分压,经D815、R889向副电源U801的⑤、②脚提供启动电压;另外,380V直流电压通过开关变压器T801的初级①~③绕组加到U801的⑦、⑧脚,为内部MOSFET开关管的D极提供电源。副电源启动工作后,产生激励脉冲,驱动内部MOSFET开关管工作于开关状态,在T801的各个绕组产生感应电压。
副开关电源开始工作后,副开关变压器T801的热接地端④~⑤绕组感应到的脉动电压,经D811整流、C862滤波,一路经R888//R894送到U801的②脚,作为副电源U801的工作电源,U801于是进入正常的持续工作;另一路送到待机控制电路V801的c极,受待机控制电路的控制,为PFC驱动电路和主电源驱动电路U802提供VCC工作电压。
T801的冷接地端次级绕组感应电压经D812整流,C852、L818、C853、C854滤波后,产生+5VSB/1A电压,为主板微处理器控制系统供电。
1.1.2 稳压控制电路
稳压控制电路由误差放大器U808、光电耦合器U806和厚膜电路U801的④脚内部电路组成。
当因某种原因造成副开关电源输出的+5VSB/1A电压升高时,经R872、R873与R874取样分压,加到U808的①脚电压升高,经U808比较放大后,3端电压降低,光电耦合器U806内部发光增强,内阻降低,将U801的④脚电压拉低,经④脚内部稳压控制后,调整U801内开关管激励方波变窄,开关管导通时间缩短,副开关电源输出电压下降到正常值;当副开关电源输出的+5VSB/1A电压降低时,上述电路工作过程相反,开关管导通时间延长,副开关电源输出电压上升到正常值。
1.1.3 开/关机控制电路
开/关机控制电路由三极管Q807、光电耦合器U805、VCC电压控制电路Q801等元件组成。主电路板控制系统的开/关(ON/OFF)机控制电压,经连接器送到电源板,加到Q807的b极。
开机时,主电路板控制系统送到电源板的开/关(ON/OFF)电压为高,Q807导通,“光耦”U805内部发光二极管发光,“光耦”内部的导通,为U801的基极提供正向偏置电压,Q801导通,由副开关电源提供的VCC电压经Q801输出,送到PFC电路和+12V电源驱动电路U802的辊辏讹脚,为其提供工作电压,使主开关电源启动工作。为液晶彩电主电路提供12V工作电压,整机进入开机收看状态。
遥控关机时,主电路板控制系统送到电源板的开/关(ON/OFF)电压为低电平,使Q807截止,“光耦”
U805截止,三极管Q801也截止,切断了PFC电路和主开关电源U802的辊辏讹脚工作电压,使主开关电源停止工作,整机进入待机状态。
1.1.4 过压保护电路
+5V副电源过压保护电路由33VVD811、Q809、Q812、Q810组成,对副电源U801的②脚和⑤脚供电电压进行控制。当副电源输出电压升高时,T801的④~⑤绕组输出的VCC电压也会升高,当该电压升高到33V时,将VD811,Q809、Q812、Q810相继导通。其中,Q810的导通,通过R889将副电源U801的②脚和⑤脚供电电压拉低,副电源停止工作,无+5V电压和VCC电压输出,使整机停止工作。
1.2 PFC功率因数校正电路
PFC功率因数校正电路是插在和滤波电路之间的新型电路,实际上是一个AC/DC变换器。
它提取整流后的直流中的高次谐波分量,将其校正为正弦波或接近正弦波,一方面抑制了整流后的高次谐波分量,减少高次谐波对电源的干扰;另一方面充分利用了电网电能,提供了电源的使用效率。
该电源的功率因数校正电路由储能L805、驱动电路Q804、Q805,场效应MOSFET开关管Q806和驱动控制电路STR-E1565的③、④、⑤、⑥、⑦、⑩、辊辑讹脚内外电路等组成。