1.的维修
该系列组装彩电多采用A3开关.
2.无图无声或图声均异常故障
此类故障通常只涉及图声共用的或元件。在开关供电正常的情况下,一般不会产生在Tv状态和外部其他信号输入均同时无图无声或图声均异常的故障现象,除非单片N101损坏。这时。可采取输入外部信号试机,若图声均正常。则可按下述两种类型作出分析和判断。
一种是纯净光栅无伴音故障。该故障重点涉及三个部位,一是N101(3)、(4)脚的+5V(B7)供电中断或异常,因为(3)脚是图像中放电路供电,(4)脚是伴音中放电路供电,两者供电中断或异常则中放电路全部停止工作,既无图声信号,也无噪波雪花点;二是(60)脚外的图像中放APC电路c122、c123有短路,使图像中频信号短路到地。连同噪波信号也一并短路到地,当然无图声,无噪波点:三是M61260/M61264本身损坏或不良。
另一种是无图声,但有正常或相应的噪波雪花点。该现象表明中放电路可能工作。且视频检波电路没有正常工作,无法检测出图像信号,也有可能是高放电路没有谐振出IF信号。也有可能是图像自动搜索相关电路出故障。
N101损坏或不良的可能性也极小。这时。可分别从N101的(63)、(64)脚和预中放v102b极注入人体感应信号,正常情况下,屏幕应出现明显的噪波干扰条纹或雪花点干扰。否则应重点检查N101相应电路元件。噪波干扰正常,则故障在自动搜索和选台电路。
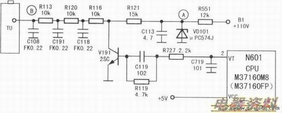
若初步判定故障在选台电路,应重点检测A、B两点和CPU(2)脚的静、动态(见图)。A点的动、静态电压应为稳定的。30V,B点的动态电压。即在自动搜台的全波段过程中,应从0V-30V变化三次,测量cPu(2)脚电压也有0V一4.5V的变化过程。如果上述过程正常,在检查替换A101无果的情况下,自动搜索没有图像时,应检查(60)脚VIF及(58)-(41)脚间的元件,因为(41)脚送入的视频信号需送入到图像识别电路。

3.有图无声或有声无图故障
此类故障多发生在N101外围电路元件中。当故障现象为有图无声时,应重点检查伴音电路301及其外围元件、N101(51)脚的外围元件;当故障为有声无图时。应重点检查N101(58)-(41)脚的电路和元件,特别是v110是否损坏或不良、v110 c极供电是否中断或异常、v110外围是否开路或损坏等。
4、屡损行管或无规律性停机故障
应重点检查行推动级V901外围电路和元件,尤其是行推动初级焊脚、R436,以及行振荡相关元件。如(7)、(19)、(43)脚等外部元件。R436是2W的中功率,行推动级V901供电相对较大,易产生较大热量,常出现元件引脚脱焊的情况,从而出现轻则无规律性停机,重则屡损行管的故障。