别人检查发现开关管Q801损坏,保险未断,行、场皆无问题,因而确认为开关管质量不佳而损坏,如图所示。

换上一个相同的开关管之后,一开机“啪”的一声管子又坏了。该检修者几乎查遍了所有的、三极管和电解器等“大件”都没发现问题,最后他怀疑是开关内部有短路,可是又拆不开。
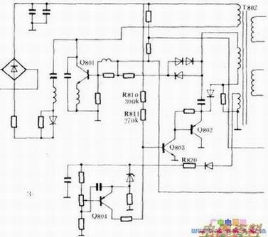
笔者首先检查了开关变压器未发现问题,对行、场和电路进行了常规检查也未发现问题。检查先后被损坏的开关管都是发射结被断路,又根据保险未断的现象来判断,管子损坏的原因不是因后级短路而过流击穿,很可能是脉冲调宽电路失控导致开关管发射结过高而损坏。检查调宽电路的两只三极管Q802、Q803及其偏置皆无问题,、当查到R820时,发现其远大于标定的20Ω。焊下来一测,其阻值为无穷大。笔者分析认为,该机的故障是由于R820的损坏导致误差取样放大电路失去供电而停止工作,使脉冲调宽电路失控,Q801发射结电压过高而击穿。
换上一个同样的电阻和新的Q801之后,机器立刻正常工作了。