此机芯部分机型在开/关机时,中有异响,其处理方法是增加R233( 8.2kΩ)。
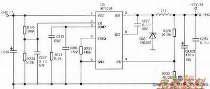
该故障的原因是在开/关机时,供给伴音的12V -3A未能及时关断。12V-3A电压形成如下图所示。
MP1584是一块高(1.5M)的降压稳压块,内部集成有高电压功率MOSFET管,可提供3A输出,其②脚为使能输入端,当该脚电压低于阈值时,该降压稳压块处于停止工作状态。增加R233的目的就是正确控制U8的通断时间,使12V-3A输出电压在开/关机时及时关断。

此机芯部分机型在开/关机时,中有异响,其处理方法是增加R233( 8.2kΩ)。
该故障的原因是在开/关机时,供给伴音的12V -3A未能及时关断。12V-3A电压形成如下图所示。
MP1584是一块高(1.5M)的降压稳压块,内部集成有高电压功率MOSFET管,可提供3A输出,其②脚为使能输入端,当该脚电压低于阈值时,该降压稳压块处于停止工作状态。增加R233的目的就是正确控制U8的通断时间,使12V-3A输出电压在开/关机时及时关断。
