笔记本电源适配器的修复一波三折


  小心撬开该笔记本外壳,里面的果然非同一般。除了开关、功率管、、肖特基等元件外,其余全部采用贴片元件。

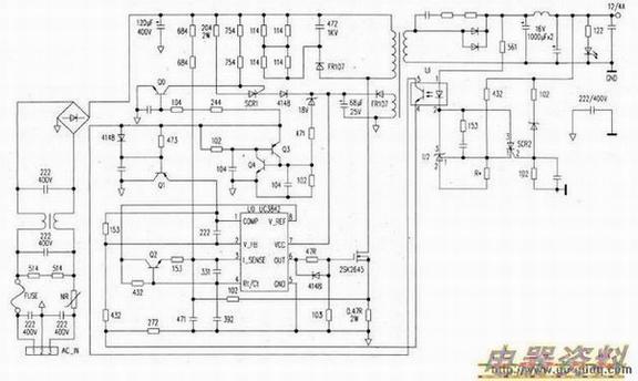
  仔细观察板上的元件,发现该适配器是采用一枚UC3842为核心构成的脉宽()型。该芯片采用贴片式封装,PCB板制作精良。经查资料得知,UC3842芯片内部包括、误差放大器、比较器、PWM锁存器、5V基准电源、输出驱动电路等。

  首先检查保险丝正常,证明整机没有短路性故障。测主滤波两端,有约300V左右的直流,证明从交流输入回路到整流滤波之间的电路完好。接着测量L1C3842芯片的第⑦脚,发现电压为O,显然不正常。

  由于整机大部分元件都是贴片元件,而且线路纵横交错,一时难以理顺彼此的去向。因此决定先绘出该电源适配器的电路原理图,然后一举攻破之。

  经过一番折腾,终于将图纸绘出。该电源适配器如图所示,

  对照图纸,用测量启动的下端为0V,证明该启动开路。用一同阻值代换之,复测,电压已经为16V,顺着线路测量UC3842的⑦脚,电压为15V,但电路还是不工作。

  从UC3842芯片的资料得知,芯片通电后,⑧脚会输出5V的参考电压。但是用检查的结果此端电压却为0V。由此可以证实,不是芯片本身已经损坏,就是芯片外围电路有故障元件。经仔细排查之后并未发现有明显的故障元件。于是判断UC3842芯片损坏。但是将其代换后,电路依旧不工作。

  从UC3842芯片工作的外部条件来讲,芯片⑦脚在通电后,内部得电工作,同时,从⑧脚输出5V的参考电压,该电压经过一电阻再到芯片的④脚,和④脚外接的电容组成振荡,以产生相应的振荡信号,从芯片第⑥脚输出受控的矩形脉冲,推动功率管工作。

  芯片⑦脚已经有16V的电压,芯片的外围元件也已经过详细排查,并未发现故障元件。难道新换的UC3842芯片有问题?于是,决定重新换上一枚。不幸的是,电路还是不工作。证明原因根本就不是UC3842引起的。

  检修思路肯定没错,可是,为什么会这样呢?问题会不会还是出在芯片的供电电路?虽然万用表量过第⑦脚有16V的电压,该值会不会是虚的。于是决定采用外接电源供电的方式,看看问题究竟出在哪里。立即动手,利用一台稳压电源,将电压调到16V左右,接入电路,开机,哈哈,指示灯亮了。

  证明确是供电电路有问题!关机,对照自绘的图纸,拆下⑦脚供电电路的68μF/25V的电容,用万用表的电容档测量其容量,竟然不到3μF。立即用一只100μF/25V的电容将其换掉,开机,电路终于工作了。测量适配器输出插头,电压约为12.5V左右。连忙插上“本本”,按开机键,怎么?居然没有反应!再看电源适配器上的指示灯,是亮的呀?

  拔掉适配器插头,用万用表测量电压是12.5V,但与“本本”连接通电后该电压有所下降。

  分析电路带载能力不够,经查为整流输出端两只1000μF/16V的电解电容变值,找来两只同质电容换上,插上“本本”,按开机键,一声令人愉悦的鸣响后,熟悉的蓝天白云在这台历经磨难的电源适配器的支持下,终于出现了。

  回想起这一次的维修经过,先查出是启动电阻开路,接着又是启动电路的储能电容失容,再然后,又是输出滤波电容容量减小,真可谓一波三折!