一般的外接或机载闪光灯由直流升压和触发电路两部分组成,前者完成对储能的充电;后者是在快门开放的瞬间产生数千伏的高压,使闪光灯管中的氤气电离,储能中.的电能便在灯管两极之间放电而发出强烈的闪光。如果闪光灯充电正常,开机接通后指示灯在15秒内燃亮,而不闪或漏闪,就可判断为触发电路发生了故障。触发电路故障的检查和排除是闪光灯修理的难点之一。
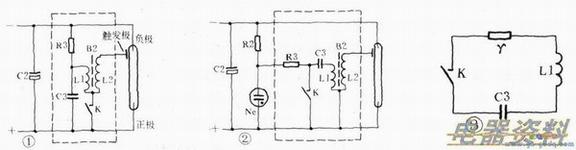
图1虚线框内是闪光灯的触发电路,由R3、电容C3、B2和同步触点K组成(K在照相机内快门附近,外接闪光灯的试闪钮也为K).,跨接在储能电容C2的两端。触发电路还有几种变化,图2是另一种常用的触发电路,但不论如何变化,其中的C3、K和B2的初级线圈Ll必定串联成一回路:
来自直流升压电路的脉动直流电,在对C2充电的同时也经R3对C3充电。在快门开放时K闭合,C3即通过L1放电,同时在次级线圈L2上感应出数千伏的高压。由此可见,要使触发电路正常工作必须具备两个条件;一是C3要储存一定的触发能量,二是触发能量要转换成高压并施加在灯管触发极和负极之间。
触发灯管燃亮所需的能量,随闪光灯的指数而不同,通常约为o.O01焦耳。电容储存能量的多少,取决于它的电容量和充电,可按公式w=÷cU2计算,这样C3选择o.022~o.047μF,电压充至240V左右便能满足要求。闪光灯在使用过程中,由于C3的变值或损坏(断路,短路、漏电或容量不足),会造成不能充电或充电不足,其他元件的损坏,如R3断路、K的簧片变形常闭,及图2线路中的U断路等,也会造成C3不能充电。
在确认C3完好的情况下,可采用下述方法检查C3是否充电:对于机载闪光灯找到K后,拨动簧片使其碰触}对于外接闪光灯,将联闪线的芯部和外环短路,或用导线将插脚中央的触点和卡槽中的簧片短路。在正常情况下,上述操作接触处均应发出火花。火花极微弱,要在暗处观察。若没有火花,就说明C3没有充电,可进一步查找原因。这一检查也可采用测量K触点或C2两脚之间电压的方法,用磁电式测量,正常时应在240V左右。
上述检查情况正常,而灯管仍不闪或漏闪时,那就是C3、Ll组成的回路未能产生振荡的原因了。
把C3、Ll回路中的接线、Ll的线圈和K的接触电阻考虑进去,并以等效电阻r表示即成一电阻、电容、串联的电路。如图3。在K闭合的瞬间,由于C3的放电在回路中产生一脉冲,这时若回路中的和相等就会产生振荡。由于没有电能补充,振荡是衰减的。这一振荡在L2上感应出数千伏的高压。
为了使回路产生振荡,闪光灯在设计和装配时,C3的电容量和Ll的量是配置好的。但在使用过程中,由于C3、Ll的数值变化或等效电阻r的增大,会造成电路不振荡。这样在K闭合的瞬间,L2上只能得到一个逐渐减小的电压,而不是振荡脉冲高压,就不能可靠地引燃灯管。此外,如果L2的层间或引出线之间绝缘不好,会导致高压旁路,L2产生的高压就不能全部加到灯管触发极和负极之间,闪光灯工作就不稳定或甚至不闪。
L2产生的高压是瞬间的,而且所提供的很小,无法用电压表测量。检测瞬间高压最有效的方法是用示波器观察。在L2的两端接上示波器后,瞬间闭合K,如C3、Ll回路起振,就会出现一个衰减的振荡波形,其第一个半波的应在5000v以上。在业余条件下可将L2的两端接至一完好灯管的正负极,瞬间闭合K,灯管内若有电弧跳过,就说明L2有高压产生。如果L2自身或引出线的绝缘不好,在做上述检测时,会产生层间或线间跳火,这时可听到轻微的“劈拍”声,在暗处能看到跳火的部位。
了解了触发电路产生高压的原理及检测的方法后,这部分电路的修理就不难了。修理时应首先检查K的触点是否变形或烧蚀而不能闭合。有时即使能闭合也会因接触电阻的增加(即r增加),而使C3、Ll回路不起振。因此检查和清理K触点应列为修理照相机常见工作。证实K接触良好,C3能充电而灯管仍不闪或漏闪,就说明C3、Ll回路没有起振,这时就要调整C3的电容量或Ll的电感量,使它们的容抗、感抗接近相等。实际工作中改变C3的电容量较为简便,因此第一步可在C3上并联电容进行试验,若无效再将C3换小试验。由于C3或Ll的数值一般不会偏离太大,增减电容量以不超过0.OlμF为宜,否则因容抗、感抗相差悬殊会依然不起振,这样做往往一、二次便能奏效。对于出现层间或线间跳火的情况,在找到跳火部位后,改善该处的绝缘即可,若遇L2层间跳火无法消除时,只好将B2换去。
一支合格的灯管在正常使用条件下可燃亮五千次到一万次左右,实际使用的闪光灯远远达不到这一次数。修理中可见到有的灯管已经发黑而仍能闪亮,因此对于有故障的闪光灯不要轻易认为是灯管出了毛病,只有在直流升压电路和触发电路完好的情况下,闪光灯仍不闪或漏闪,才能判断是灯管损坏。
