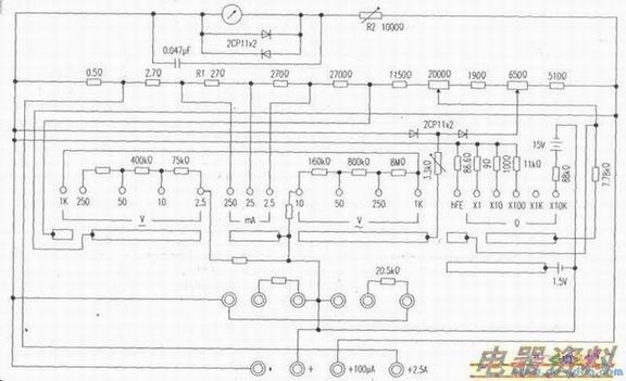
下面以MF50型故障为例进行说明,原理如下图所示。
此的表针打不到头,测量出的数值比实际值偏小。例如测量交流220V时,读数仅为“180V”,比实际电压偏低了40V。
初步确定故障为磁钢退化(退磁)所致。
将旋钮调至.“2sov”挡,测量交流220V电压时,听到表内“啪”的晌了一声,并冒出一股白烟,表针未动。打开后盖查看,是用户自行拆修后、将挡位开关动片安装反了:错位180度:使动片上的“白点”与表壳体上的“白点”相互靠近,将红、黑两表笔接瓢了分流Rl(27n)两端,造成220V电压将R1损坏。
于是将挡位开关的活动片拆下,调转1800后重新安装正确:此时动片上的“白点”和壳体上的“白点”已相互远离。
再用同型号的一只替换下被烧坏的Rl。
将挡位开关旋钮旋至“10V”挡,测量一个IOV的标准电压,读数仅为“8.8V”(比实际电压小了1.2V,指针在“lov”亥峻线上,比正常时左移了“6格”)。此时检查表头系统的各分流、分压电阻均正常,动圈、表针都正常。因此,故障判定为磁钢A老化,磁性减弱所致。
决定采用在原表头主磁钢A的两极,分别叠粘两块同极性附加磁铁B、C、以增强主磁铁A的磁性的方法进行修复,如右图所示。
修复原理:在主磁钢A的两个磁极顶端分别叠粘两块圆环形钕磁铁B、C。叠粘时注意要同极相粘接,即A的N极与B的N极相粘接:A的S极与C的S极相粘接。这样,用A、B、C三块磁铁共同合成的磁场来推动表头动圈工作,使动圈周围的磁场强度恢复到新表时候的数值,万用表即能正常工作。
将钕磁铁B和C用环氧树脂分别粘接到主磁钢A的两极。
(注:极性的鉴别:利用磁极同性相斥、异性相吸的原理,可快速判断出被粘接的附加磁铁与主磁钢相互接触的两个面是否同极性。例如要将磁铁B粘接到磁钢A的左侧磁极上,先将B的第一个面与A的左磁极接触,再将B的第二个面与A的左磁极接触,吸得很紧的那面和A的左磁极为异极性(即极性相反);丽吸得很松,甚至相互排斥的另外一面.则是同极性(即极性相同)。用同样的方法可判定出磁铁C与A右磁极的两个接触面是否为同极性。千万不可搞错)。
待粘接的环氧树脂凝固硬化后进行检测:将挡位开关拨到直流“10V”挡,再测量直流10V标准蓄电池电压,此时表针指示数为“10.6V”,微调一下可变电阻R2(1000Ω),使指针指示数为“10.OV”,校验完毕。
再将挡位开关调至“~220V”挡.测量交流220V电压,指针指示数已为“220V”,合格。装上表壳,修理结束。
