阿尔法的530V供电由CNPN端子引入,P端子一路经开关主绕组加到开关管K2225的漏极,再经射极采样到N端,构成开关的输入通路,一路由两只150kΩ2W、1电源启动回路加到开关电源的振荡板(功能方框图,内含L3845P等附属元件,具体见驱动电路二图)的6脚,为开关电源的起振提供激励能量。电源起振工作后,由开关变压器的自供电绕组经整流产生直流供电,输入振荡板6脚,作为内部振荡芯片的供电电源;振荡板5脚接供电N端,6、5脚为振荡板的供电脚;由开关管源极电流采样R39上形成的电流采样信号,输入到振荡板的3脚,作为电流控制信号和电源停振保护信号,异常过流发生时,内部电路强制电源停振;受控(脉冲占空比可变)脉冲由振荡板的4脚输出,与开关管的栅极相连,控制开关管的导通和截止,使开关变压器输入电能而储能,将电源输入的能量以电磁传输的方式,输送到次级电路。开关电源的输出反馈信号由振荡板的1、2脚输入,即由D48、E28整流、滤波输出的直流-15V电压,既提供CPU主板控制电路的供电,也作为反馈信号输入振荡板,与内部电路基准电压信号相比较,产生一个误差电压输出,控制振荡板内部PWM波发生器,使4脚输入的脉冲占空比发生变化,调节开关变压器绕组的储能量,维持输出电压不变。

开关电源的振荡和调压方式,是利用改变脉冲宽度或来调整输出电压的,称为时间比例控制,又分为PWM(调宽)和P(调频)两种控制方式。U3842、U3844、U3845系列电源芯片是专用PWM控制器。
开关变压器自供电绕组整流滤波产生的+11V供电,同时又经78L05C贴片8引脚稳压电源输压输出5V直流电压,供U14-A7840线性光耦输入侧的供电。U14、LF513两级放大器构成了直流电路的电压检测电路。由P、N端子引入的直流电压,经220kΩ2W电阻、R54A等电阻分压网络,取得1V以下的电压值由51Ω电阻输入到A7840的2脚,由A7840的7、8脚输出电压采样信号经R55、R56送入后级LF353组成的差分放大器(放大倍数为1,实为电压跟随器,起隔离和变换之用)的输入端,LF353的1脚输出随直流回路电压而变化的电压信号,又经半可变电阻器补偿调整,作为(厂家在线路板上的标注,意为直流回路P、N端的电压采样信号)信号输入到后级电路。当输入三为380V,直流电路约为530V时,VPN点电压约为3.8V。
由D49、D50并联整流、220μF50V电流滤波形成的24V直流电源,作为1、散热风扇的供电,风扇是变频器上电即投入运转的,无控制;2、充电接触器线圈的控制REL1的供电,排线端子CNN1的1脚开关管导通时,REL1得电,控制充电接触器吸合;3、模块温度检测电路的供电,温度为一只常闭触点热继电器,串入光电耦合器的输入侧的供电支路,当模块温度异常上升时,温度继电器动作,常闭点断开,光电耦合器输出OH过热信号到CPU的14脚;4、作为变频器控制端子的24V供电。
图下侧电路为三相输出电压异常或三相输出剧烈波动或三相输出缺相检测电路,此电路形式我们仿佛似曾相识,在其它变频器中也采用过此种电路形式的三相输出电压检测电路。乍看之下,这是一个典型的一款仪用小信号放大器,细看之下则不然了。由于放大器两个输入端并联双向削波嵌位的作用,说明电路不再承担对小信号放大的任务,而是起了将输入U、W二相信号整形和合成为V相信号的功能。如同全息摄影的原理一样,如果我们以全息理论的视角来看的话,U、W两相电压信号中必定蕴含了第三相V相电压的信息,同理,经合成的V相信号,其中更是蕴含了U、V两相(事实上合成信号可以认为是三相电压信号的信息)信号的信息。作者猜想后级电路--CPU内部硬件、软件电路是一个类似于计的电路,对该电路输入的电压波头进行计数,当检测三相输出某半波(或全波)丢失时,即判断输出缺相,故障示警并停机保护。

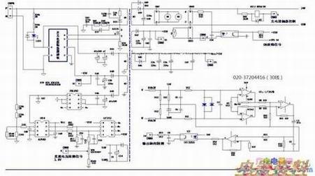
检查驱动或模块的故障所在,必须知晓A316J(HCPL-316J)保护电路的原理和关键功能引脚相应的输出状态(值)。让我们先看看A316J内部及外围故障保护电路是如何干活的。该图画了二路的驱动电路,剩的空间,将开关电源电路的振荡板内电路填空在这里了,也附带说一下。

结合上图(A316J相关资料中的典型电路,较易看出故障保护电路与的连接)聊一下保护电路的动作流程。读者朋友先把输入、输出侧的供电回路和脉冲输出回路搞明白呀,这一块靠您自己看了,篇幅有限啊。
A316J的14脚为模块OC故障(过流故障)检测输入端,通过外接100Ω电阻和嵌位二极管连接到IGBT的C极,16脚则与IGBT和射极相接,A316J的14、16脚与外接电路构成了IGBT管压降检测电路。在正常工作状态下,在驱动脉冲发送期间,IGBT管子可靠导通,14脚外接二极管因IGBT管子的导通而正向导通,将14脚电压值嵌位在16脚电压的低(零)电平值上,内部故障检测电路不动作,脉冲传输通道畅通。11脚内部电路正常输出逆变脉冲信号,模块OC报警信号输出脚6脚也输出正常状态下的高电平信号;当负载电流异常、逆变脉冲信号通路不良或IGBT本身故障导致IGBT管压降大于7V时,14脚外接二极管反向截止,14、16脚之间出现高电平信号,内部故障检测电路动作,一方面通过内部电路封锁了脉冲通道的传输,一方面启动故障保护电路,使6脚输出低电平的模块OC故障信号,送入前级CPU电路。当IGBT发生过电流时,11脚输出的驱动电压下降,使IGBT软关断,以避免陡然关断由引线引起过电压而导致IGBT的损坏。当内部IC供电检测电路检测到输入电源电压高于内部基准电压值时,且无过电流信号输入时,则脉冲传输通道正常工作。若检测到欠电压信号,则无论脉冲通道是否在正常传输,内部故障保护电路动作,将A316J内部推挽输出级的上管(输送驱动电压)关断,同时使下管(输送截止电压)导通,将IGBT软关断。
模块OC故障保护电路被启动后,A316J的6脚将一直被锁定为低电平故障信号输出状态,直到从5脚输入低电平复位信号为止--须由外电路输出一个故障复位信号来解除电路锁定状态。14脚外接嵌位二极管,对其工作参数有特殊要求,反向耐压≥1000V,开通时间??=75ns。用普通二极管代用,因结的电荷存储效应,会失去检测保护作用造成IGBT的损坏。
开关电源的振荡板通过六个引脚与电源/驱动板相连,次级绕组整流输出的-15直流电压,由1、2脚输入到振荡板的稳压控制电路。稳压电路由U3(8引脚贴片式TL431)基准电压源和U2(181349D)光电耦合器组成。-15V输出电压的变化,引起了U2内部输入电流的变化,U2输出侧光电三极管因受光量不同而输出内阻相应变化,此变化信号输入U1(3845)的2脚,U2内部电路控制U2的6脚输出脉冲的占空比,经由振荡板的4脚,输出驱动脉冲到开关管的栅极,控制开关管的导通/截止时间比,从而将开关变压器的次级绕组的输出电压维持在一定值内。开关电路的工作电流信号,经由R7、C7回路引入U1的3脚,由内部电路实施电流闭环控制与过流保护。