一、声控电子开关及工作原理简述
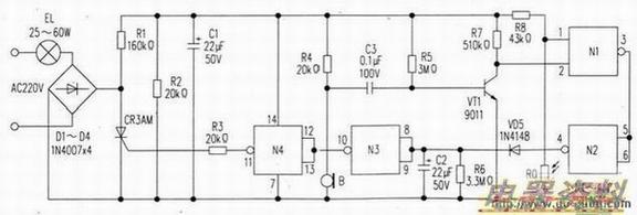
由图可知,市电经VD1~VD4全波整流,由R1、R2分压后在C1两端获得10~20V的直流(市电在160V~240V范围内输入时)作为控制器。在白天由于光照较强.R0阻值较小.故四(CD4011)之一的N1输入端①脚呈低。另外,经R5给控制管VT1 b极提供正偏置电压.VT1导通.N1输入端②脚也呈低电平,由与的逻辑功能可知,其输出端③脚输出高电平,即N2输入端⑤、⑥脚均为高电平,故N2的输出端④脚输出低电平。因此隔离兼传导vD5截止→N3输入端⑧、⑨脚呈低电平,输出端⑩脚呈高电平,即N4输入端(12),(13)脚也为高电平→输出端输出低电平→单向CR3AM(改进后型号)不能触发导通→串联在电源输入回路中的电灯泡EL不能被点亮。到了晚上,因光照很弱,光敏R0阻值增大很多。使N1①脚由低电平变为高电平。但N1②脚仍为低电平.由与非门逻辑功能可知.其N1的输出端③脚仍输出高电平。所以N2、N3、N4的输出状态仍保持不变.灯泡EL不亮。当行人的脚步声走近开关附近或在开关附近击掌时.M会将声信号转变为电信号,并经C3将一定幅度的信号负电压耦合至Q1的b极,使其vT1 c极的平均电压升高,即N1②脚电平升高.N1③脚输出低电平,N2、N3、N4也相继翻转,N4(11)脚输出高电平.经R3触发可控硅导通,于是灯泡EL被点亮。在D5导通后可对C2充电。在响声消失后,VT1 b极电位升高,VT1导通加深,N1②脚恢复低电平。③脚输出高电平,使N2(4)脚输出低电平,D5重新截止。但因已充电的C2正端仍有电压加在N3的输入端,故N3⑩脚仍输出低电平,N4(11)脚仍输出高电平,继续维持可控硅导通.即灯泡不熄灭。不过此期间C2两端电压正通过R6放电,即N3的输入端⑧、⑨脚电压正在不断下降,当下降至N3反转的阈值电压时,N3反转,其⑩脚才输出高电平。使N4(11)脚输出低电平,导致可控硅关断,灯泡EL熄灭。所以C2、R6称为延迟元件,改变C2、R6的数值可以改变在响声消失后灯泡继续点亮的时间。

二、故障检修
本控制器常见故障主要有:
1.灯泡一直不亮
这种情况可能是灯泡断路.也可能是电源或控制电路出现故障。在确认灯泡正常的情况下先检查C1两端是否有10V以上直流电压。如果没有,说明整流二极管VD1~VD4或或焊点出现开路性故障.或C1损坏.应逐一检查确诊。若C1两端电压正常,再检查光敏是否正常.光敏电阻在用黑纸包裹起来后测量其阻值应在1MΩ以上。在有光照射下阻值应只有数百欧姆.否则应予更换。当确认光敏电阻正常后,用黑纸严密包裹起来.然后在四个与非门输入端依次加入人为触发信号.并用监测其输出端电平是否改变。若不变.在外围元件正常的情况下,说明CD4011损坏。若证明CD4011正常。在CD4011(11)脚有高电平输出的前提下.灯泡仍不亮.那只有是R3或可控硅出现开路性损坏。若在CD4011各输入端人为加入触发信号,CD4011能正常翻转且灯泡能点亮。则应检查话筒、C3、VT1。
2.灯泡长亮不熄
这种情况表明故障主要在控制电路.可先检查可控硅是否已。若正常,再查Q1 c—e极是否开路;R8阻值是否增大:VD5是否开路。若未发现异常,则有可能是CD4011内部损坏.可按上述人为加触发信号的方法予以确认。若CD4011正常。则应考虑本控制开关的两引线接线柱是否有相碰的地方(因本开关有金属屏蔽罩.安装不妥会使两接线柱短路)。
3.灯泡点亮时间太短
这主要是C2、R6时间常数太小.常见原因是C2漏电.其次是二极管VD5的反向漏太大。检查并更换后故障即可排除。
4.灵敏度不够
若发现需要很响的声音才能使灯泡点亮.则表明本控制开关灵敏度太低.用替换法检查话筒B、耦合C3、控制三极管VT1等。故障一般可排除。