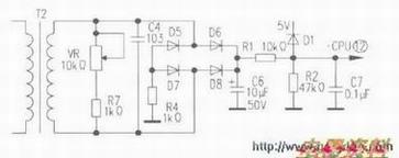
笔者根据实物绘出该电磁炉的相关如附图所示。以往的检修经验表明,这种故障多为功率调节电路故障,且基本上都是由于功率调节电位器接触不良所致。
首先对功率调节电位器进行检查,但却是正常的。接下来将图中所有元器件逐一进行检查,结果没有发现故障元器件。于是扩大检查范围:对炉温、大功率取样、三个(高压振荡、直流、交流滤波)等进行检查或代换,但还是未发现问题,检修一时陷入困境。
冷静的进行分析后认为,该故障属于典型的功率调节电路故障,但该电路中所有元器件都查过,唯一没有查过的就是器。于是抱着试一试的想法测了一下互感器的次级,居然有2kΩ,果然有问题!拆下来测量证实次级已断路。于是从旧板上拆一个换上,再试机一切正常。
