接修一台健伍KA600,故障为开机即保护。
该由以下几部分组成:音源选择、声场处理、音调、前置放大,放大、保护等几部分组成。经查该机故障为声场处理集成块坏.CPU也不正常。若要完全恢复功能,只有更换CPU和声场处理.,因无法购到同型号器件,要救活该功放的唯一办法就是由AV功放改为双声道功放。
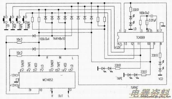
为了使改造顺利进行,先把以上几部分电路测绘出来。KA-600信号选择电路如下图所示.TC4069是六器。按LD、VCD、TAPE.TUNE键.TC4069输出信号给MC14052选择电路(9)、(10),此信号电压有4种组合。(3)脚为R声道输出,(13)脚为L声道输出;该机信号选择电路的输出的信号,原电路为运算放大器放大后到声场处理电路,声场电路处理电路出来到音量电位器板,音量电位器板再到音调及MIC音量控制板.音调再到电压电流放大板。

音调板比较复杂,由MIC输入信号放大后加到音调运放lCJRC4558D。从音量调节到音调板R、L双声道信号经JRC4558D放大后再输入到音调电路。信号放大电路如下图所示。

为了切断音源与MIC联系,整个音频信号走向改变如下:
原:信号→MC14052→音量电位器→声场处理_+音调+MIC放大→电压电流放大。
改为:信号→MC14052→-音调板JRC4558D放大→音量电位器→电压电流放大。
改动的好处是甩掉了MIC及声场处理电路,使音频信号更干净。
具体连接方法如下:
(1)从MC14052(3)、(13)脚用一根带屏蔽的2芯电线作信号连接线。芯线分别接MC14052的(3)、(13)脚,屏蔽接地。另一端接音量电位器输入。
(2)用带屏蔽的芯线一头接音量电位器,另一端接信号放大IC输入插座口L信号输入端。屏蔽线接地。
(3)用带屏蔽的两芯电缆一头接放大IC输出,另一端接电压电流放大板R、L输入插座。
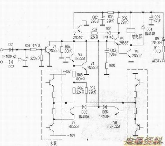
该机功放电路如下图所示,电路采用差分输入,双极性推动,二级达林顿电流放大。该功放末级管2SA1943、2SC5200的b—e结电压0.38V。所以,判定功放末级电路为放大。乙类放大存在交越,最好摩机时改成放大。

喇叭保护电路原理图见下图。工作原理有以下几种保护:信号过强保护、中点电压失调保护、末级管过流保护、开机延时保护。

信号过强保护原理:当输出信号峰值很大时,DOI、D02将音频信号整流,C01,直流电压会使三极管V2导通,使v5的b极电压为ov.释放。这部分电路主要针对的是卡拉OK电路。当与喇叭组成正反馈自激时,可切除。
中点电压失调保护:中点电压超过±0.7V时.V4、V3导通,v5的b极电压为oV.继电器释放。
末级管过流保护:当末级管电流超过2.8A时,三极管V6、V7导通,二极管D05、D06导通,三极管v5截止,继电器释放.