●
品书香
>
电子设备技术
>
电器维修技术
>
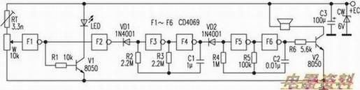
给彩投增加液晶屏温度监示电路
该(如附图所示)能监测液晶屏的工作情况,若液晶屏过热,电路自动报警。
当风扇停止工作或损坏时,由于温度上升,RT的阻值减小,F1输出低电位,LED熄灭,同时F2输出高电位,电路起振,喇叭发出“嘟—嘟—”的响声,提示用户液晶屏过热。
安徽 柳磊
上一篇:
长虹系列对于LA7688N解码块关机亮点改进
下一篇:
新创意锂离子电池充电器
热点内容
·
松下TC-21L3RQ彩电,遭雷
·
通过画面的现象判断彩电的
·
行输出变压器(FBT)的检
·
飞鹿脾14英寸电视机伴音电
·
TCL王牌37寸显示屏代用资
·
为什么修不好电视
·
明基液晶彩电-某些或者全
·
采用600a制冷剂的冰箱如何
·
“比较法”在彩色电视机维
·
空调维修准确加氟法