信号板又称主板或主板组件,是液晶电视中信号处理的核心部分,在系统控制的作用下,将外接输入信号转换为统一的液晶屏能识别的信号。
早期部分产品由两块板(或三块板)组成,安装有高频器那块板常称作高频板,另一块板称作数字板或板;后期产品由于采用全功能大规模,电路得以简化,多采用一块板结构。
尽管液晶彩电信号板的组成多样,采用的集成块型号也各不相同,但均具有以下几个共同的特点:
1、信号处理系统的流程相同
输入的TV、AV、YPbPr、PC及HDMI等模拟或数字信号,经信号板处理后将其转换为逻辑板所需的信号格式,常为LVDS格式,早期的部分液晶屏为TTL格式。
2、对整机的控制相同
输入到微处理器的指令都是通过遥控接收头或键控板输入,微处理器对相关电路的控制指令都通过输出高低信号或通过总线控制实现。其中,对板的开/待机控制、背光灯驱动板的开/关控制、上屏的开/关控制、以及背光亮度模拟调节,均是通过输出高低电平信号实现的;对程序、用户存储器音效处理等电路的控制是通过总线控制实现的。
3、供电系统相同
输出的+12V、+5V等电压送到信号板后,信号板上各低压稳压电路将其转换成3.3V、1.8V等多组电压,供各个及相关电路使用。
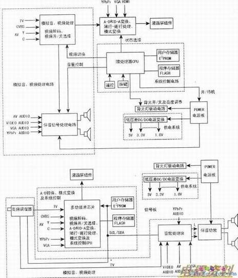
根据上述特点结合具体电路上看,信号板主要包含模拟音、视频处理,A-D转换及格式变换,系统控制以及供电系统四大部分电路,如上图所示。
近年来,由于芯片集成度越来越高,出现了大量液晶彩电专用的多功能单芯片,将视频解码、视频开/关选择、A-D和D-A变换、隔行一逐行处理、模式变换及系统控制集于一身,如MST9U88L、MST718BU.MST739DU、MT8222、RTD2660等芯片,因此液晶彩电的信号板电路得以简化,主要由模拟音、视频处理,A-D转换、格式变换及系统控制,供电系统三大部分电路组成,如下图所示,以高频调谐器、音效处理块和伴音为主构成模拟音、视频处理电路,其工作原理与检修方法与普通彩电相同;以多功能单芯片、程序存储器和用户存储器为主,构成视频解码、A-D转换、MCU、信号格式变换等系统控制电路;以多块低压差的DC/DC(直流转直流)转换及稳压IC为主构成供电系统,输出5v、3.3V、1.8V.1.26V等多组电压,为信号板及液晶屏组件供电。
【提示】在实际检修中,为了便于区分故障部分,常将信号板分成信号处理系统、整机控制系统和低压供电系统三大部分。其中,信号处理系统包括各路信号输入、模拟音/视频处理.A-D转换及格式变换等电路。
