液晶彩电的控制主要由MCU(微控制器)、程序(FLASH)、用户存储器及按键、遥控等组成,与常见的CRT彩电控制系统基本相同,仅多出一个程序存储器,这是因为液晶彩电图像信号的后端处理具体方式需与液晶屏对应,则需预先烧录入相应的运行程序,故称之为程序存储器。
与CRT彩电一样,控制系统要正常工作必须满足以下工作条件:
1.MCU、与程序存储器(FLASH)、用户存储器的供电正常
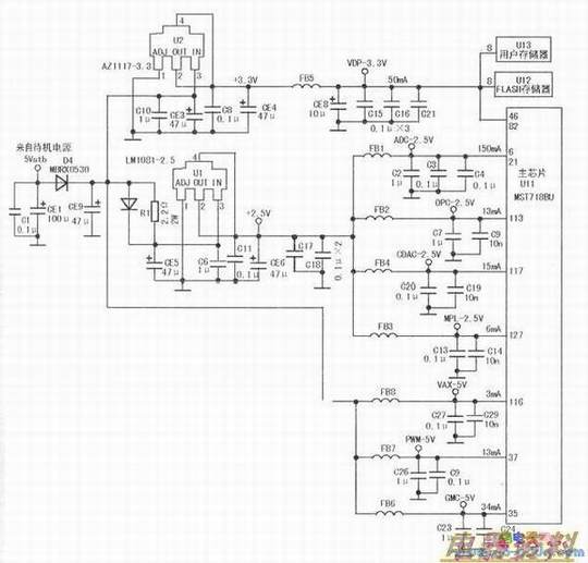
MCU供电通常是多组(有别于CRT彩电),常见为+2.5V、+3.3V和+5V;程序存储器和用户存储器的供电多为3.3V,上述工作电压均来自的待机5v,例如长虹LS15机芯控制系统的供电如下图所示。

2.时钟电路正常
MCU所需基准都由时钟电路得到。时钟电路由晶体(简称)与移相组成。移相为数十皮法的瓷片电容,与晶振引脚串联,可使晶振可靠起振,并确保晶振频率的稳定性。
另外,在单芯片方案电路中,时钟电路所产生的振荡信号还送往视频器,以便准确地出色差信号,若振荡信号频率异常,会造成彩色不正常,甚至无彩色。
3,MCU复位电压正常
在液晶彩电中,大多数芯片有多个复位端,且无外部复位电路,其复位电位设在lC内部,这也有别于CRT彩电。例如单芯片MST718BU有两组共5个复位引脚,其中42脚(FBl)、39脚( FB2)为外部复位引脚,外接分压电路,当42、39脚的电压低于1.2V时,芯片将进行复位动作;44脚( Power-good)、68脚(Power_on_RStn)和72脚(Re-set)为内部复位引脚,靠内部产生的复位信号给芯片其他模块提供复位。若上述任一路复位不成功,均会引起二次不开机故障。
4.总线及外接存储器正常
总线上常接有用户存储器、程序存储器、PC存储器及音效处理块、高频器等器件,如下图所示,若任一路总线出现短路现象,均会导致不开机故障。
实修时,可通过观察指示灯来大致判断故障部位:若指示灯不亮,应检查MCU工作电压;若二次开机后指示灯颜色不变化,说明MCU没有从程序存储器和用户存储器中读取到相应的数据,应对串行数据总线进行检查;若指示灯不停地闪烁,说明MCU复位不成功,应检查复位电路。
【提示】用户存储器是存储用户关机前的使用信息,如频道、音量、亮度、、色度等,以便下次开机能迅速读出上次的使用状态,具有记忆功能;程序存储器是外置FLASH存储器,存放整机的主控制程序,需提前写入,能实现软件烧录,软件升级及正常使用;PC存储器是存储该机作为PC显示器时VGA接口支持的各种信号格式等各种信息,供显卡读取并输出相对应的信号格式,主要存储数据有:表头、制造商标识、产品标识、EDID版本、显示器基本参数和特征参数、图像最大尺寸、显示器传输特性( Gamma值)、显示器特性参数、彩色特性参数等参量。
