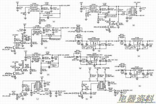
液晶彩电DC/DC变换器如下图所示。

U7102(A1596-33PM5)和外围电路组成开关型DC/DC变换器,可将①脚输入的+24V转换为+3V3STBY电压,从②脚输出。U7102的⑤脚为输出使能端,⑤脚为低时,②脚输出正常;当⑤脚为高电平时,②脚无输出。
U7108[AIC1596-50P(NC)]和外围电路组成开关型DC/DC变换器,可将①脚输入的+24V电压转换为+5V_ITV电压,从⑧脚输出。U7108的⑤脚为输出使能端,由U4101(MST96889LD)的@脚输出的ITV_5V-SW信号控制。当ITV5VSW信号为高电平时,Q7101导通,Q7104截止,Q7104集电极输出高电平,控制U7108的⑤脚为高电平,此时,U7108的②脚无输出;当U4101的156脚输出的ITV_5VSW信号为低电平时,U7108的⑤脚为低电平,U7108的②脚有正常+5_ITV电压输出。
U7101(AIC1596-12PM5)和外围电路组成开关型DC/DC变换器,可将①脚输入的+24V电压转换为+12VAUDIO电压,从②脚输出。U7101的⑤脚为输出使能端,由U4101的@脚输出的AU_PWR_SW信号控制。当AU_PWR_SW信号为高电平时,Q7107导通,Q7106截止,Q7106集电极输出高电平,控制U7101的⑤脚为高电平,此时,U7101的②脚无输出;当U4101的248脚输出的AU_PWR_SW信号为低电平时,U7101的⑤脚为低电平,U7101的②脚有正常的+12V_AUDIO电压输出。
Q7110为P沟道场效应管,Q7110的栅极G由U4101的157脚输出的ITV_12V_SW信号控制。当ITV12V_SW信号为高电平时,Q7109导通,其集电极输出低电平,加到Q7110的栅极G,控制Q7110导通,于是,Q7110的源极S上的+12V电压可从Q7110的漏极(D)输出;当ITV_12V_SW信号为低电平时,Q7109截止,其集电极输出高电平,Q7110截止,于是,Q7110的漏极D无电压输出。
U7105(AIC1596-50PM5)和外围电路组成开关型DC/DC变换器,可将①脚输入的+24V电压转换为+5VSTBY电压,从②脚输出。U7105的⑤脚为输出使能端,⑤脚为低电平时,②脚输出正常;当⑤脚为高电平时,②脚无输出。
Q7111为P沟道场效应管,Q7111的栅极G由U4101的@脚输出的PWR_SW信号控制。当PWR_SW信号为高电平时,Q7103导通,Q7102截止,Q7102集电极输出高电平,加到Q7111的G极,控制Q7111截止,Q7111的源极S上的+5VSTBY电压不能从Q7111的D极输出;当PWR_SW信号为低电平时,Q7103截止,Q7102导通,Q7102集电极输出低电平,加到Q7111的G极,控制Q7111导通,Q7111的源极S上的+5V_STBY电压可以从Q7111的D极输出。
U7106(AME8815AEGT1802)为低压差稳压器,可将①脚输入的+3V3_STBY电压转换为+1V8(1.8V)电压,从②脚输出。
U7103(AME8815AEGT3302)为低压差稳压器,可将①脚输入的+5V电压转换为+3V3PANEL电压,从②脚输出。
U7104(AME8815AEGT3302)为低压差稳压器,可将①脚输入的+5V电压转换为+3V3电压,从②脚输出。
U7107(AME8815BEGT2502)为低压差稳压器,可将①脚输入的+3V3(3.3V)或+5V电压转换为+2V5(2.5V)电压,从②脚输出。
Q7105为P沟道场效应管,Q7105的栅极G由U4101的251脚输出的PANEL_PWR信号控制。当PANELPWR信号为高电平时,Q7108导通,其集电极输出低电平,加到Q7105的G极,控制Q7105导通,Q7105的源极S上的电压(+12V或+5VPANEL或+3V3_PANEL)可以从Q7105的D极输出;当PANELPWR信号为低电平时,Q7108截止,其集电极输出高电平,控制Q7105截止,Q7105的源极s上的电压不能从D极输出。
DC/DC变换器输出的电压去向如下图所示。
