饱和开关的问题点:OFF延时时间
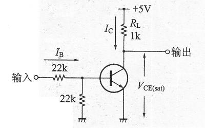
如图1所示,使场效应开关动作时,加给晶体管的基极IB:是IB=/hFE,决定的值大的电流。这是由于晶体管的集电极一发射极饱和VCE(set)减小,使晶体管的ON时的电力损耗降低的缘故。
这样,晶体管饱和动作时,如图2所示,基极电流IB,即使为0,晶体管也不能立刻OFF,集电极电流在积蓄(strage)时间tstg+上升时间tr,之后才变为0(toff=tstg=tr)。

图1 基本的晶体管开关

图2 为使开关高速,减小toff很重要
用于OFF晶体管的时间莎。toff比用于ON的时间ton要长,而且根据驱动基极的条件变化很大,这在高速开关电路中必需注意。