我们以熊猫L32A7031液晶彩电主中的场效应管为例,介绍其具体识别方法与工作原理。
1.该场效应管的外形及引脚分配
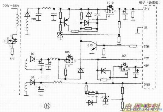
图8为熊猫L32A7031液晶彩电主电源的冷端图,该机无副电源,所以只要接通交流市电,主电源就工作,即主电源不受CPU控制。开机、待机是CPU通过STB端子控制10、IC5、IC6的导通和截止来实现的。

IC10实际上是一只P沟道场效应管,外形如图9所示,电气符号如图10所示。

IC5看似一只8脚贴片集成块,实际上也是一只P沟道场效应管。其①、②、③脚为源极S,④脚为栅极G.⑤、⑥、⑦、⑧脚为漏极D。实物如图11所示,电气符号如图12所示。
IC6外形与IC5-样,实际上它是一只N沟道场效应管,其①、②、③脚为源极S,④脚为栅极G,⑤、⑥、⑦、⑧脚为漏极D,实物如图13所示,电气符号如图14所示。
可见,尽管IC10与IC5形状、大小、引脚数相差甚远,但都是p沟道场效应管;而IC5与IC6虽然形状大小,引脚数完全相同,但前者是P沟道场效应管,后者却是N沟道场效应管。
2.该电源中三只lC(两种场效应管)的工作原理
下面分别介绍上述三只场效应管在待机和开机两种情况下的工作原理。
(1)待机时,CPU置STB端子为0V关机,Q10截止。
1)D8整流出5V直流,为5VSB端子供电。
5VSB端子有5V电压供CPU使用。
2)D10整流出约24V直流电压,由于Q10截止,IC10(p沟道场效应管)的栅极G得到约24V的高压,与源极S电压24V相同,所以栅源电压VGS为OV,IC10截止,其漏极D的电压为0V,即24V端子的电压为OV。
3)D9整流出约12V直流电压,由于Q10截止,使P沟道场效应管IC5栅极G的电压接近12V,与源极S的电压12V相同,即电压VGS为0V,与源极S的电压12V相同,即栅源电压VGS为0V,IC5截止,其漏极D的电压为0V,即12V端子的电压为OV。
4)D8整流出5V电压,由于12V端子电压为0V,使N沟道场效应管IC6的栅极G电压为OV,与源极s的电压OV相同,即电压VGS为OV,IC6截止,源极S电压仍为0V,故+5V端子电压为OV。
(2)开机时(二次开机)。
此时CPU送给STB端子开机高电平,Q10饱和导通,端子有5V电压供CPU使用。
1)D10整流出约24V左右电压,由于Q10饱和导通,使p沟道场效应管IC10的栅极G得到约4.2V的低电平,比源极S电压24V低10多伏,IC10导通,其漏极D有24V电压输出,即24V端子有24V左右的电压。
2)D9整流出约12V直流电压,由于Q10饱和导通,使P沟道场效应管IC5的栅极G得到约0.6V低电平,比源极S电压12V低很多,故IC5导通,其漏极D有12V左右电压输出,即12V端子有12V左右电压。
3)D8整流出5V电压,由于12V端子有12V电压,使N沟道场效应管IC6的栅极G得到约12V高电压,比源极S电压高很多,IC6导通,其源极有5V电压输出,即+5V端子有5V电压。
