哈里斯调频发射机功放模块IPA/PA


  哈里斯调频发射机模块IPA和PA的结构完全一样,只不过IPA是驱动模块.PA是功率放大模块。本机共有IPA两块.PA 16块.所有的模块都是相同的和可互换的。每个模块由安装在散热器两边的两个独立的放大器组成。单个放大器的原理图见下图。

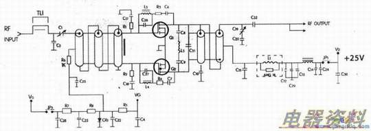
单个放大器的原理图  


  
  每个放大器的射频输入典型值为20W~25W.TL1、C1、C2使输入在50Ω.并通过模块微调使相移保证为一标称值,以使所有的模块合成。然后,射频信号送到一个9:1的同轴T1上,其分离为O和180的两个输出以驱动一对推挽射频MOS-FET放大器(Ql和Q2),Ql和Q2的偏压和Tl的次级中心抽头连接,它被旁路到地。
  
  在驻波比很高或需要关闭射频的情况下.VG的输入控制电压用于关断MOS-FET,MOS-FET的栅极偏压是由来自于PA控制器板的VG(栅极电压)来设定的。如果VG为-18V.则放大器将被关断.如果VG为ov.则放大器为全开。IPA的驱动能力决定了放大器的输出功率。
  
  对于IPA.VG来自于支持板且受主控制器板的APC环控制,输入到IPA的驱动是固定的,IPA的输出将控制PA和发射机的输出功率。IPA的输出是由改变加到IPA的栅极电压(VG)来控制的,通过使用发射机前面板上的RAISE(提高)和LOWER(降低)控制键来提高和降低APC参考电压。
  
  MOS-FET的输出在一个1:4的变压器中合成.C19、C20将PA输出端的50Ω与T2的输出阻抗精确匹配。直流由Cll、C12、C13、C14、C16、C24、Ll和L2进行去耦合,然后通过T2的初级中心抽头加到MOS-FET上并通过同轴电缆输出射频.无须隔直流。射频最大输出为425W,典型输出为300W~340W。