流器(CT)是电力系统中很重要的电力元件,作用是将一次高压侧的大通过交变转变为二次电流供给保护、测量、录波、计度等使用,本局所用电流互感器二次额定电流均为5A,也就是铭牌上标注为100/5,200/5等,表示一次侧如果有100A或者200A电流,转换到二次侧电流就是5A。
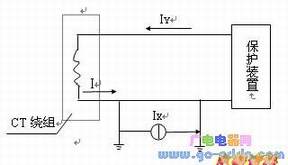
电流互感器在二次侧必须有一点接地,目的是防止两侧绕组的绝缘后一次高引入二次回路造成设备与人身伤害。同时,电流互感器也只能有一点接地,如果有两点接地,电网之间可能存在的潜电流会引起保护等设备的不正确动作。如下图,由于潜电流IX的存在,所以流入保护装置的电流IY≠I,当取消多点接地后IX=0,则IY=I。
在一般的电流回路中都是选择在该电流回路所在的端子箱接地。但是,如果差动回路的各个比较电流都在各自的端子箱接地,有可能由于地网的分流从而影响保护的工作。所以对于差动保护,规定所有电流回路都在差动保护屏一点接地。
