接地故障是指相线、中性线等带体,因绝缘损坏或接触不良等原因而与外露可导电金属外壳、装置外可导电部分、PE线、PEN线、大地等发生的短路。接地故障是一种短路,但又区别与一般的短路.它要比一般短路更具有危险性,其引起的间接接触电击是最常见的电击事故,引起的电气对地电弧和火花也是最常见的电气起火源,因此应当特别重视。当然接地故障保护也区别于一般的短路保护,它是一种主要着重于防止间接接触电击的关系到人身安全方面的防护。
1.接地故障保护的原理
实验表明,当人体接触到的值小于IOmA时(因入而异,IEC所取),人体会有本能的摆脱欲望,然而一旦超过这个界限值,手掌心肌肉的反应将是不依人的意志地紧握带电导体,而不是摆脱带电导体。这时,在长时间作用下将会使人体遭受电伤,如果此值大于30 mA,那么将会造成电击致死的危险。由此可见,电流是使人体遭受电击的元凶,并与其大小有关,且在一定程度上与其持续的时间有关。
在工程计算上,通过人体的电流值表示起来较为繁琐,而用施加在人体上的值来表示较为容易。
人体的主要是皮肤阻抗,在干燥条件下,皮肤阻抗大,达到30mA的电流需50v的接触电压,在潮湿条件下。皮肤阻抗小,达到30mA的电流仅需25V的接触电压。故而接地故障保护的原理在于当发生故障时,尽量降低人体的接触电压值至上述安全电压以下,并使用保护电器来限制此电压值对人体的作用时间,从而使人体避免电伤的危险。
2.降低接触电压值
(1)重复接地
《民用建筑电气设计规范》( JGJ16-2008)第12.2.2条中规定:“保护导体或保护接地中性导体应在靠近配电处接地,且应在进入建筑物处接地。”可见重复接地是在TN系统中对端的工作接地的重复设置。顾名思义,重复接地有多个接地,但都是对PE (PEN)导体的接地,相互之间是关联的,因而不同于TT系统。
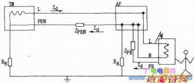
假设一个末端配电箱,一它的外露可导电部分已通过PE线与端中性点的地实现了连接,达到了保护接地的要求,但如果就近有现成的接地体可用来作重复接地,发生故障时的接触电压则会大大降低。下图所示为作重复接地的TN-C-S接地系统,RA为重复接地,RB为变压器中性点接地。ZPEN和ZPE分别为PEN线和PE线的阻抗。此时如发生接地故障,人体的预期接触电压为故障电流Id在PE线与RA 上产生的压降之和,而RA与RR串联后再与Z。
并联,即RA上的电压降为ZPEN上电压降的分压,从
在无重复接地的情况下,如发生接地故障.故障电流ld经相线.PE线及PEN线后返回变压器中性点,此时人体的预期接触电压Ut=ld.ZPE+ld.ZPEN。
从上述分析上看,作重复接地后在一定程度上减小了在发生接地故障时人体的接触电压值,一般重复接地的值不宜超过10Ω。需要强调的是重复接地是保护导体(PE)或保护接地中性导体(PEN)的重复接地,而非中性导体(N)的重复接地。

(2)等电位联结
在TN系统中,假如某处发生了不与PE线或PEN线相连通的接地故障,由于此类故障回路阻抗大,满足不了短路保护的动作电流值,使得故障电压持续存在,产生的故障电压将沿PE线或PEN线传导蔓延至其他建筑物。这时建筑物内与PE线或PEN线连接的金属可导电外壳便带有故障电压,此值如果超过安全电压,就有发生电击事故的危险。总等电位联结的作用便是消除由类似上述原因造成的危险电位差,并使得建筑物内各金属可导电部分之间的电位趋于接近。而辅助和局部等电位联结是作用于一个建筑物中的局部范围,旨在进一步降低不同金属部件间的电位差。
如下图所示,Bm和BL分别为总等电位连结板和局部等电位连结板,虚线为局部等电位连结线。当无局部等电位连结时,人体接触到的故障电压Ut为a-c段的电位差,其值为故障电流Id经a-b-e段PE线的电压降,c点到电源段的电压降已在等电位连结以外,对人体接触电压不产生影响。

3.保护电器的应用
TN系统的特点是当发生接地故障时,有较其他接地系统更大的接地故障电流,一般情况下,可利用的短路保护兼做接地故障保护,如果接地故障电流值应为断路器瞬动脱扣器整定电流值的1.3倍以上便认为是满足要求的,此为最经济的保护措施,但有时配电线路过长,回路阻抗大,接地故障电流很小,经过计算并不能满足上述要求,归纳起来大约有三点解决措施:
(1)适当加大线缆截面积,以此来减小回路阻抗,增大接地故障电流,从而满足上述要求。以大代小势必会加大初始投资,这时便要根据实际情况及其他因素综合考虑,如电缆的抗机械强度、经济寿命期内的线路损耗费用以及用电负荷的可扩容性等。
(2)选用带有接地故障保护功能的断路器。目前应用较为广泛的是剩余电流动作保护器(RCD),它的整定值只需躲开被保护回路的正常对地泄露电流。由于三相不平衡电流和谐波电流在磁路内被抵消,所以它具有灵敏度高的特点。需要注意其电流器包绕了相线和中性线,但却不包含PE线,故而此措施并不适用于TN-C系统。
(3)电动机保护器()。近年来电动机保护器由于具有非常全面的功能而被广泛使用,特别是化工装置,大多数用电设备为电动机,这时便可以利用电动机保护器所带有的接地故障保护功能来实现保护。
复接地和等电位联结用于降低接触电压,而保护器用于缩短电流对人体的作用时间,在设计过程中,两者缺一不可,要相辅相成,才能达到最好的防电击效果。
此时如果b—-e段距离较长,会导致接触电压过大,但如果如按图中虚线作局部等电位连结,其人体接触电压将降为a-b段的电位差,便很容易达到安全电压以下。譬如如果采用整定值为16A的断路器,其瞬动电流脱扣器整定电流为160A.为使其可靠动作,故障电流的最小值Id=1.3x160=208A,所以只要使a-b线段的电阻小于0.24Ω便可以接触电压降低到一般场所的安全电压50v。
从以上分析可以看出等电位连结的实施在降低接触电压方面能起到较为显着的效果。在电气设计中,应依据实际情况分别做以总等位连结和局部等电位连结来保证人身安全,几根连线,既简单又经济,却可以取得很好的效果。