液晶彩电的主要由交流抗干扰、整流电路、校正电路(多数机型有此电路)、启动电路、开关控制电路、稳压电路、保护电路等几部分构成。
1.交流抗干扰电路
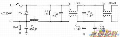
开关两根交流进线上存在共模干扰(两根交流进线上接收到的干扰信号,相对参考点大小相等、方向相同,如电磁感应)和差模干扰(两根交流进线上接收到的干扰信号相对参考点大小相等、方向相反,如电网瞬时波动),两种干扰以不同比例同时存在。开关电源中,、开关管的电压快速上升或下降,、的电流也迅速变化。这些都构成电磁干扰源。为了减少干扰信号通过电网影响其他电子设备的正常工作,也为了减少干扰信号对本机音视频信号的影响,需要在交流进线侧加装线路,即交流抗干扰电路。常用交流抗干扰电路如下图所示。

图中,LF1、LF2是共模扼流圈,在一个闭合高铁心上,绕制两个绕向相同的线圈。共模电流以相同方向同时流过两个线圈时,两线圈产生的是相同方向的,有相互加强的作用,使每一线圈的共模提高,共模电流大大减弱,对共模干扰有强的抑制作用;在差模干扰信号作用下,干扰电流产生方向相反的磁通,在铁心中相互抵消,使线圈几乎为零,对差模信号没有抑制作用。LF1、LF2与CY1、CY2构成共模干扰抑制网络。
Ll是差模扼流圈,在高导磁率铁心上独立绕线构成,对高差模电流和浪涌电流有极高的阻抗,对低频(工频)电流的阻抗极小。电容Cxl、CX2滤去差模电流,与Ll构成差模干扰抑制网络。Rl是Cx,、CX2的放电(安全),用于防止电源线拔插时电源线插头长时间带电。安全标准规定,当正在工作中的电气设备电源线被拔掉时,在2s内,电源线插头两端带电的电压(或对地电位)必须小于原电压的30%。
需要特别提出,电容Cx、CY为安全电容,必须经过安全检测部门认证并标有安全认证标志。CY电容一般采用耐压为AC 275V的陶瓷电容,但其真正的直流耐压高达4000V以上,因此,CY电容不能随便用耐压AC 250V或DC 400V之类的电容来代替。Cx电容一般采用聚丙烯薄膜介质的无感电容,耐压为AC 250V或AC 275V,但其真正的直流耐压达2000V以上,也不能随便用耐压AC 250V或DC 400V之类的电容来代替。
2.整流滤波电路
整流滤波电路的作用是将交流电转换成300V左右的直流电压。开关电源电路中通常采用桥式整流和电容滤波方式,典型电路如下图所示。
图中,VD1—VD4是四只整流,C是300V滤波电容。通过桥式整流电路,可以将交流电压转换成单向脉动的直流电压;通过电容滤波,可将单向脉动的直流电压转换为平滑的直流电压。

3.功率因数校正( PFC)电路
(1)功率因数校正电路的作用
长期以来,开关型电源都是采用桥式整流和大容量电容滤波电路来实现AC-DC(交流一直流)转换的。由于滤波电容的充、放电作用,在其两端的直流电压出现略呈锯齿波的纹波。
滤波电容上电压的最小值与其最大值(纹波峰值)相差并不多。根据桥式整流二极管的单向导电性,只有在AC线路电压瞬时值高于滤波电容上的电压时,整流二极管才会因正向偏置而导通;而当AC输入电压瞬时值低于滤波电容上的电压时,整流二极管因反向偏置而截止。也就是说,在AC线路电压的每个半内,只是在其峰值附近,二极管才会导通(导通角约为70°)。虽然AC输入电压仍图4-9未加功率因数校正电路时大体保持正弦波波形,但AC输入电流却呈高幅值的尖峰输入电流与电压的波形脉冲,如下图所示。这种严重的电流波形含有大量的谐波成分,会危害电网正常工作,使输电线上的损耗增加,功率因数降低,浪费电能。

为了提高功率因数,部分液晶彩电的开关电源采用了功率因数校正电路,加入此部分电路后,可以不断调节输入电流波形,使其逼近正弦波,并与输入电网电压保持,因此,可使功率因数大大提高,减小了电网负荷,提高了输出功率,并明显降低了开关电源对电网的污染。
(2)功率因数校正(PFC)电路的基本工作原理
功率因数校正(PFC)电路分为无源和有源两种。无源校正电路通常由大容量的电感、电容和工作于工频电源的组成,电路较简单,但效率低,因此,液晶彩电中一般不采用。有源校正电路一般由功率因数校正为核心组成,工作于高频开关状态,可以得到高于0.99的线路功率因数,并具有低损耗和高可靠等优点,输出不随输入电压波动变化,因此可获得高度稳定的输出电压,但电路较复杂。在液晶彩电中,有源PFC电路应用比较广泛。
有源PFC电路框图如下图所示。从图中可以看出,这是一个由储能电感L、场效应功率开关管V、二极管VD2构成的升压式DC-DC变换器。

整流输入电压由Rl、R2分压后,经输入电压检测电路后送到乘法器,场效应开关管的源极电流经输入电流检测后也加到乘法器,输出电压由R3、R4分压后,送到输出电压检测电路,经与参考电压比较和误差放大后也送到乘法器。
在较大内,模拟乘法器的传输特性呈线性。当正弦波交流输入电压从零上升至峰值期时,乘法器将三路输入信号处理后,输出相应去控制比较器的门限值,然后与锯齿波比较,产生PWM信号,加到MOSFET场效应管V的栅极,调整场效应管漏、源极导通宽度和时间,使它同步跟踪电网输入电压的变化,让PFC电路的相对交流电网呈纯特性。结果,使流过一次回路感性电流峰值包络线紧跟正弦交流输入电压变化,获得与电网输入电压同频同相的正弦波电流。
在开关电源实际PFC电路中,除场效应管V和几个分压电阻外,上述的大部分电路都集成在一块上,称为功率校正集成电路,如L6560、SG3561、NCP1650、EPCS01等。
4.启动电路、开关电源控制电路和开关管
为了使开关管工作在饱和、截止的开关状态,必须有一个激励脉冲作用到开关管的基极(对于场效应管则为栅极),液晶彩电一般采用他激式电源,这个激励脉冲一般是由开关电源控制电路内部的产生。而振荡器的工作电压则由启动电路来提供。在开关管饱和期间,要求振荡器能为开关管提供足够大的基极电流,否则,开关管会因开启损耗大而损坏;在开关管由饱和转向截止时,基极必须加反向电压,形成足够的基极反向抽出电流,使开关管迅速截止,减小关断损耗给开关管带来的危害。
5.稳压电路
为了使开关电源的输出电压不因市电电压、负载电流的变化而发生变化,必须通过稳压控制电路,来对开关管的导通时间进行控制,达到稳定输出电压的目的。开关电源的稳压电路主要有两种形式:间接取样稳压电路和直接取样稳压电路。
(1)间接取样稳压电路
间接取样稳压电路的特点是在开关上专设一个取样绕组,经整流和波滤后产生取样电路,反馈到开关电源控制电路,去控制开关管的导通与截止时间,从而达到稳定输出电压的目的。由于取样绕组和二次绕组采用紧耦合结构,所以,取样绕组被感应的脉冲电压的高低就间接地反映了输出电压的高低,因此,这种取样方式称为间接取样方式,如下图所示。

间接取样方式的缺点是稳压瞬间响应差,当输出电压因市电电压等原因发生变化时,需经开关变压器的耦合才能反映到取样绕组,不但响应速度慢,而且不便于空载检修,检修时,一般应在主电源输出端接假负载。
(2)直接取样稳压电路
直接取样电路比间接取样电路复杂,主要有取样电阻、误差放大电路、基准电路、光耦合器等组成,如下图所示。

直接取样稳压电路的原理是:通过两个分压电阻,对电源主电压输出端的电压直接进行取样,然后,将取样电压(两个取样电阻的分压称取样电压)送到误差放大电路与基准电压进行比较,比较后的电压再通过光耦合器反馈到开关电源控制电路,去控制开关管的导通与截止时间,从而达到稳定输出电压的目的。
直接取样稳压电路具有安全性能好、稳压反应速度快、瞬间短等优点,在液晶彩电开关电源电路中得到了广泛的应用。
在实际的开关电源电路中,基准电压电路和比较放大电路一般集成在一起,如常见的误差放大集成电路TL431就集成有基准电压和比较放大电路。