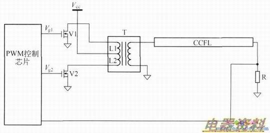
“控制芯片+推挽结构驱动”构成方案的基本结构形式如下图所示。推挽驱动器只用到两只N沟道功率场效应管Vl、V2,并将升压T的中性抽头接于正v,两只功率管Vl、V2交替工作,输出得到交流,由于功率共地,所以驱动控制电路简单;另外由于变压器具有一定的漏感,可限制短路,因而提高了电路的可靠性。
对于推挽结构的驱动电路,要求直流vcc的变化范围要小,否则,会使驱动电路的效率降低。因此,推挽结构不适用于笔记本电脑,但对于和液晶彩电非常理想,因为直流电源电压通常会稳定在±20%以内。
电路工作时,在PWM控制芯片的控制下,使推挽电路中两个开关管Vl和V2交替导通,在一次绕组Ll和I2两端分别形成相反的交流电压。改变输入到Vl、V2开关脉冲的占空比,可以改变Vl、V2的导通与截止时间,从而改变了变压器的储能,也就改变了输出的电压值。需要注意的是,当Vl和V2同时导通时,相当于变压器的一次绕组短路,因此应避免两个开关管同时导通。
