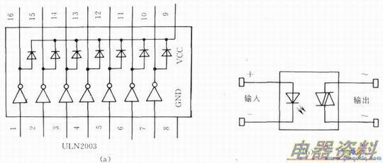
空调器常用驱动集成块,按其管脚不同可分为14脚与16脚。采用16脚的常见型号有MC1413P、ULN2003、KA2667、KA2657、KID65004、MC1416、ULN2803、TD62003、M5466P,以上各驱动块具有互换性。采用14脚的驱动块常见型号有MC54527P、CD74LS04、CD4069等。
下面以ULN2003驱动块为例进行介绍,该集成块是一个集电极开路的七,具有达林顿输出,最大驱动能力为50V、500mA。可驱动一般小型直流,内部还有七个供继电器线圈继流之用,主要用于主电路板中驱动电路,原理如下图所示。(2003驱动块9脚接直流“+”、8脚接直流“-”,1~7脚为信号输入,10~16脚为信号输出。)
