●
品书香
>
电子设备技术
>
电器电路基础
>
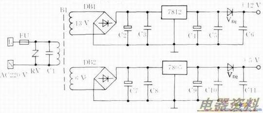
变压器双路输出稳压电路原理
双路稳压如下图所示,稳压电路为双路输出互不干扰,而普通稳压电路则采用阶梯式稳压输出。由于采用双路输出,所以增加了全桥DB2和隔离VD1与VD2,其电路原理和普通集成稳压电路相同。
上一篇:
变压器单路输出稳压电路
下一篇:
过欠压保护稳压电路工作原理
热点内容
·
编码器与解码器
·
浅谈PIC 8位单片机中的RAM
·
加固液晶显示器关键技术
·
直流供电系统的构成
·
过流保护-PTC效应
·
输入阻抗(input impedanc
·
数字高清彩电视视频输出电
·
74LS系列集成电路的特点
·
太阳能充电器
·
MEMS陀螺仪重要参数及应用