招牌利用新型高亮LED()结合51开发的一种实用型灯箱。LED色彩是相对于传统的霓虹灯、灯箱、路牌及LED显示屏以外的一种全新的集广告、装饰和美化环境于一身的户外显示媒体。主要应用于色彩字、LED显示路牌、LED色彩变化装饰楼宇等众多户外夜景照明场所。
一、制作思路
设计汉字或图案 设计 设计并软件仿真验证 电路硬件选择 组装成品。
二、制作实例
1.设计汉字或图案
字体的绘画可用软件Corraw9或Coreldraw12进行绘画,注意根据实际需要制作点距。本例中利用CAD制图软件把字体的过孔以及孔的大小及间隔距离确定好。出图后用手持电钻或机床加工把要过的孔冲击成型。
2.设计电路
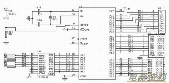
原理图控制部分(见图1)。

图1 原理图控制部分
3.设计编码并验证
#include<at89x51.h>
#define uchar unsigned char
#define uint unsigned int
uchar R
[32]={0x80,0x40,0x20,0x10,0x08,0x04,0x02,0x01,0x80,0x40,0x20,0x10,0x08,0x04,0x02,0x01,0x01,0x02,0x04,0x08,0x10,0x20,0x40,0x80,0x01,0x02,0x04,0x08,0x10,0x20,0x40,0x80};
uchar G
[32]={0x80,0x40,0x20,0x10,0x08,0x04,0x02,0x01,0x80,0x40,0x20,0x10,0x08,0x04,0x02,0x01,0x01,0x02,0x04,0x08,0x10,0x20,0x40,0x80,0x01,0x02,0x04,0x08,0x10,0x20,0x40,0x80};
uchar BB
[32]={0x80,0x40,0x20,0x10,0x08,0x04,0x02,0x01,0x80,0x40,0x20,0x10,0x08,0x04,0x02,0x01,0x01,0x02,0x04,0x08,0x10,0x20,0x40,0x80,0x01,0x02,0x04,0x08,0x10,0x20,0x40,0x80};
void init()
{
P0=0x00;
P1=0X00;
P2=0X00;
P3=0X00;
}
void delay (unsigned int j)
{
unsigned char i;
while (j--)
{
for(i=0;i<125;i++);
}
}
void Z_RGB ()
{
uchar a;
for(a=0;a<32;a++)
{
P3=0xff;
P0=R[a];
delay(50);
P1=G[a];
delay(50);
P2=BB[a];
delay(50);
}
}
void main ()
{
init();
while(1)
{
Z_RGB();
}
}
4.硬件选择
(1)边框材料的选用与封边:边框材料直角铝材。
边宽20mm,厚度1mm即可。利用手持电钻在板和铝材钻上合适拉钉孔,在用拉钉固定好铝条和板。把正、反两面都固定好之后,在把正、反两面合在一起,再用拉钉将其拉紧。
( 2 ) 的选用: 每个发光的在15~20mA,在1.9~3V,功率在2.8mW~6mW.根据公式P=P1+P2+?Pn把电路的总功率计算好,再根据公式P=I×U把所需的电流及电压给确定。(本电路中发光二极管个数是800颗,每颗发光二极管电流15mA,电压2V~3V,根据以上公式计算出要选用的电源参数为19V/2.5A~19V/3A.)(3)LED的选用:LED 选用∮5普亮红绿蓝三基色发光二极管。
(4)主要材料选择:R1-R8,参数为390R;R9-R30,参数为150;C1,参数为470U/35V;C2,参数为104;电容C3,参数为100U/35V;电容C4,参数为104;RP1-RP4,参数为10K;U1为8051等。
(5)组装成品。