器(CT)是电力系统中很重要的电力元件,作用是将一次高压侧的大电流通过交变转变为二次电流供给保护、测量、录波、计度等使用,本局所用电流互感器二次额定电流均为5A,也就是铭牌上标注为100/5,200/5等,表示一次侧如果有100A或者200A电流,转换到二次侧电流就是5A。
电流互感器在二次侧必须有一点接地,目的是防止两侧绕组的绝缘后一次高引入二次回路造成设备与人身伤害。同时,电流互感器也只能有一点接地,如果有两点接地,电网之间可能存在的潜电流会引起保护等设备的不正确动作。如图1.1,由于潜电流IX的存在,所以流入保护装置的电流IY≠I,当取消多点接地后IX=0,则IY=I。
在一般的电流回路中都是选择在该电流回路所在的端子箱接地。但是,如果差动回路的各个比较电流都在各自的端子箱接地,有可能由于地网的分流从而影响保护的工作。所以对于差动保护,规定所有电流回路都在差动保护屏一点接地。
1 普通电流互感器结构原理
电流互感器的结构较为简单,由相互绝缘的一次绕组、二次绕组、铁心以及构架、壳体、接线端子等组成。其工作原理与基本相同,一次绕组的匝数(N1)较少,直接串联于线路中,一次负荷电流(
)通过一次绕组时,产生的交变磁通感应产生按比例减小的二次电流(
);二次绕组的匝数(N2)较多,与仪表、、变送器等电流线圈的二次负荷(Z)串联形成闭合回路,见图5-1。

图5-1 普通电流互感器结构原理图
由于一次绕组与二次绕组有相等的安培匝数,I1N1=I2N2,电流互感器额定电流比:
。电流互感器实际运行中负荷很小,二次绕组接近于短路状态,相当于一个短路运行的变压器。
2 穿心式电流互感器结构原理
穿心式电流互感器其本身结构不设一次绕组,载流(负荷电流)导线由L1至L2穿过由硅钢片擀卷制成的圆形(或其他形状)铁心起一次绕组作用。二次绕组直接均匀地缠绕在圆形铁心上,与仪表、继电器、变送器等电流线圈的二次负荷串联形成闭合回路,见图5-2。

图5-2 穿心式电流互感器结构原理图
由于穿心式电流互感器不设一次绕组,其变比根据一次绕组穿过互感器铁心中的匝数确定,穿心匝数越多,变比越小;反之,穿心匝数越少,变比越大,额定电流比:
。
式中I1——穿心一匝时一次额定电流;
n——穿心匝数。
3 特殊型号电流互感器
3.1多抽头电流互感器。这种型号的电流互感器,一次绕组不变,在绕制二次绕组时,增加几个抽头,以获得多个不同变比。它具有一个铁心和一个匝数固定的一次绕组,其二次绕组用绝缘铜线绕在套装于铁心上的绝缘筒上,将不同变比的二次绕组抽头引出,接在接线端子座上,每个抽头设置各自的接线端子,这样就形成了多个变比,见图5-3。

图5-3 多抽头电流互感器原理图
例如二次绕组增加两个抽头,K1、K2为100/5,K1、K3为75/5,K1、K4为50/5等。此种电流互感器的优点是可以根据负荷电流变比,调换二次接线端子的接线来改变变比,而不需要更换电流互感器,给使用提供了方便。
3.2不同变比电流互感器。这种型号的电流互感器具有同一个铁心和一次绕组,而二次绕组则分为两个匝数不同、各自独立的绕组,以满足同一负荷电流情况下不同变比、不同准确度等级的需要,见图5-4。

图5-4 不同变比电流互感器原理图
例如在同一负荷情况下,为了保证电能计量准确,要求变比较小一些(以满足负荷电流在一次额定值的2/3左右),准确度等级高一些(如1K1、1K2为200/5、0.2级);而用电设备的继电保护,考虑到故障电流的保护系数较大,则要求变比较大一些,准确度等级可以稍低一点(如2K1、2K2为300/5、1级)。
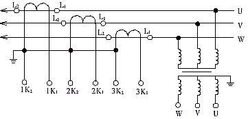
3.3一次绕组可调,二次多绕组电流互感器。这种电流互感器的特点是变比量程多,而且可以变更,多见于高压电流互感器。其一次绕组分为两段,分别穿过互感器的铁心,二次绕组分为两个带抽头的、不同准确度等级的独立绕组。一次绕组与装置在互感器外侧的连接片连接,通过变更连接片的位置,使一次绕组形成串联或并联接线,从而改变一次绕组的匝数,以获得不同的变比。带抽头的二次绕组自身分为两个不同变比和不同准确度等级的绕组,随着一次绕组连接片位置的变更,一次绕组匝数相应改变,其变比也随之改变,这样就形成了多量程的变比,见图5-5(图中虚线为电流互感器一次绕组外侧的连接片)。
带抽头的二次独立绕组的不同变比和不同准确度等级,可以分别应用于电能计量、指示仪表、变送器、继电保护等,以满足各自不同的使用要求。例如当电流互感器一次绕组串联时(图5-5a),1K1、1K2,1K2、1K3,2K1、2K2,2K2、2K3为300/5,1K1、1K3,2K1、2K3为150/5;当电流互感器一次绕组并联时(图5-5b),1K1、1K2,1K2、1K3,2K1、2K2,2K2、2K3为600/5,1K1、1K3,2K1、2K3为300/5。其接线图和准确度等级标准在铭牌上或使用说明书中。

(a)一次串联(两匝)

(b)一次并联(一匝)
图5-5 一次绕组匝数可调、二次多绕组的电流互感器原理图
3.4组合式电流。组合式互感器由电流互感器和电压互感器(详细内容本讲第四节介绍)组合而成,多安装于高压计量箱、柜,用作计量电能或用作用电设备继电保护装置的。
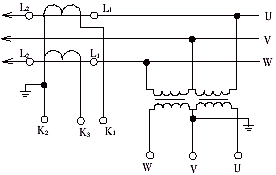
组合式电流电压互感器是将两台或三台电流互感器的一次、二次绕组及铁心和电压互感器的一、二次绕组及铁心,固定在钢体构架上,浸入装有变压器油的箱体内,其一、二次绕组出线均引出,接在箱体外的高、低压瓷瓶上,形成绝缘、封闭的整体。一次侧与供电线路连接,二次侧与计量装置或继电保护装置连接。根据不同的需要,组合式电流电压互感器分为V/V接线和Y/Y接线两种,以计量三相负荷平衡或不平衡时的电能,见图5-6(a)、(b)。

(b)三台电流互感器和电压互感器Y/Y接线

(a)两台电流互感器和电压互感器V/V接线
图5-6 组合式电流电压互感器